大楼空调水管系统之基本分类

冷热水分布控制
冷热水系统可依定流量或变流量方式设计,其控制方式又可依其使用二通或三通控制阀而改变,常见之控制方式可归纳如下:
1、定流量三通阀方式:如图4-11,当部分负载时,流量可经由三通阀旁通方式,使流经盘管之流量减少,但分支之总流量保持固定。此控制方式有以下特色:
(1)盘管为变流量通过。
(2)三通阀通常较二通阀贵,尤其在配管空间不足之状况下。
(3)分流三通阀较混合三通阀贵,但其控制结果相同。
(4)三通阀通常具线性特性。
(5)为固定流量流经阀及盘管。
(6)定流量使泵消耗较多能源。

空调水管系统之种类、功能与基本应用
1.种类
1)冰水管路系统(CHILLED WATER PIPING SYSTEM)
2)冷却水管路系统(CONDENSING WATER PIPING SYSTEM)
3)热水管路系统(HOT WATER SYSTEM)
4)蒸气管路系统(STEAM PIPING SYSTEM)
5)排水管路系统(DRAIUAGED PIPING SYSTEM)
6)膨胀水管路系统(EXPANSION WATER PIPING SYSTEM)
7)补给水管路系统(MAKE—UP WATER PIPING SYSTEM)
8)特殊制程管路系统(酸卤液体)
9)其他(如RO水、DI水、Soft WaterSystem)
2.水管系统之功用
1)冰水管路:输送冰水以利在热交换器(即空气调节或小送风机)中热交换造成冷气。即使用冰水泵浦推动水到冰水主机(WATER CHILLER UNIT)之冰水器(CHILLER)制造冰水,再送到热交换器内完成热交换造成冷风,再利用风管或直接吹入空调空间,使室温达到理想条件而成冷气。
2)冷却水管路:输送冷却水到冷凝器(CONDENSER)以便冷却冷凝器。即使用冷却水泵浦推动冷却水到冰水主机之冷凝器完成热交换,复将冷凝器产生之热水送到冷却水塔散热。
3)热水管路:功用如1)项所述.
4)蒸气管路:输送蒸气在各空调未端设备作加热加湿之作用.
5)排水管路:将冷却盘管冷凝之水,水管路之水(包括冷凝器,冰水器,冷却水塔…等) 予以排放。
6)膨胀水管路:①补给水用②膨胀用(因水温不同导致水之体积不同)③排放管路内积存空气.
7)补给水管路:补充进入冰水及冷却水系统内.
8)特殊制程管路:输送各种制程需求药液(如H2SO4,H2O2………)至各需求设备.
9)其他管路:以DI水为例备用于输送高纯度洁净水之用途.
3.空调水管基本应用—按机器及系统区分
1)箱型冷气机水管路系统:包括冷却水、排水及补给管路。
2)中央空调水管路系统(水冷式冷凝器,间接膨胀式蒸发器)包括冰水、冷却水、排水、膨胀水及补给水管路)。

大楼空调水管系统之基本设计方法
1.水管管径之决定
1)流量之计算
(1)冰水,参见附表A。
(2)冷却水,参见附表B。
2)配管之流速—流速提高,管径小,成本省,但磨擦损失增加,泵浦扬程提高,运转费用增加,且易生噪音及增加管内壁之侵蚀能力。流速太高是有害的。

3)良好的设计需在设置成本与运行成本之间取适当平衡点,一般冷温水配管单位摩擦损失建议在60mmAq/M以下,平均40mmAq/M,管内流速在2M/S以下,同时参考配管侵蚀防止(以年间运转时间作比较)之最高流速限制。
4)配管设备之设计程序:
(1)配管系统方式之决定。(系统架构流程、功能性与节能考量);
(2)设备位置、管道路由与建筑结构整体计划(安全性、可靠性确保、噪音、震动抑制。工序流程与合理化工法检讨);
(3)配管路径之决定;
(4)管路流量之计算;
(5)选定基准之决定(配管摩擦损失、流速基准确定);
(6)管径选定,并计算分析系统各段摩擦损失及流程;
(7)系统水压分布确认;
(8)阀类选定及相关机器设备确认;
(9)扬程计算;
(10)水泵容量、扬程确认;
(11)配管热膨胀检讨;
(12)全管系系统检讨确认(未来扩充性、维护性、控制方式的配合……总体分析确认);
(13)设计完成。
5)其他管路系统(蒸汽、冷媒、油配管……)可参见所附日系设计资料。

2.冰水管系统设计
1)管路之安装应尽量减少水在管路中之磨擦损失(FRICTIONLOSS)为原则,磨擦损失小,则泵浦扬程减少致马力数相对减少。
(A)须正确选择管路之管径。
(B)管路之长度应短,并应尽量避免阻碍物之弯头及注意三通之流向。
注:1.在管路系统中弯头(Elbow)有较大的压力降百分率,在等速下压力降之大小依转弯之形状而定,如长半径较短半径为佳。
2. 45°配置之弯头较90°配置之弯头为佳。
3.安装T型接头要防止对抵作用(Bullheading),对抵作用引起乱流,增加压力降与冲击管路,两个以上的T型接头安装在同一管路上时,两个T型接头之间的距离须在10倍以上之管径,如此可减少不必要之乱流。
4.为了便于安装与修理管路,由任与法兰常用于管路系统。
(C)空调箱或小送风机之管路连接须考虑以同程回水管(REVERSE RETURN)连接。
(D)管路内之空气应全部排出,排出空气除在管路之必要点,局部管路之最高点及热交换器装上放气阀外,冰水管路最高点,必须连接膨胀水管再连接膨胀水箱以便排除空气,其膨胀水管与冰水回水管之安装须特别注意,以致空气之排出。
2) 冰水管路之安装必须确宝在安装完成后未保温前,施以试压查漏的工作,否则万一施工不良,冰水管路发生漏水现象,将增加冰水主机的运转时间,泵浦的扬程减小影响空调空间之冷度,并且影响保温的效果,以致应重浪费能源。一般试水压之方法用水压,至少试压至10kg/cm2以上,维持二小时以上水压不降低,并且不漏水为原则,淌若发现有渗漏之处,则附近管路应即拆下,重新安装。

3)多用途综合型建筑物空调系统冰水管路宜采分区供应冰水。
多用途建筑物为目前常见的建筑,配合业主及顾客之需要采用多角化的经营,不但建筑本体较大,而且建筑物的利用极为复杂,因此空调系统之设计必须按建筑物之用途及使用时间,利用冰水管路配合冰水泵浦加以区分为数个空调区域,再按冷气负荷的大小及空调区域的多寡来选择空调主机、冷却水塔及其他附属设备;如此可依空调区域的需要采取局部开机或全部开机。不但可收到减少冷气损失、节省可观的能源效果外,还可在空调设局部开机时,部份停用的设备获得休息及做好保养维护,而增加空调设备的寿命。(多用途建筑物冰水管路系统如图4—16所示)。

4) 冰水系统采用VWV系统
VWV系统为可变水量系统(Variable WaterVolume System),一般空调水管系统使用的方式分为两种:
①应用多台二次冰水泵浦之改变水量方式(此傳統方式目前較少採用,如图4—17所示)。
→按空调空间冷气负载的需要调节空调箱或冷风机的冰水量,以冰水送水管之压力来控制二次泵浦之运转台数,故空调空间冷气负载减少时,需要较少的冰水量,则二次泵浦运转台数可减少以节省电费。
②冰水区域泵浦之改变水量方式
→按空调空间冷气负载的需要调节空调箱或冷风机的冰水量,以冰水管之压力由变频省电控制器(Energy Saving Controller)控制冰水区域泵浦的转速供应适量的冰水量,若空调空间冷气负载减少时,需要较少的冰水量,则降低冰水区域泵浦转速以节约能源。

空调水管之布置原则
1.水平管设计
1)注意冰水回水流程
2)水平管之上升,下降最高位置设置排气。
3)注意水平管之斜度。
4)注意水流方向。
2.排水管之设计(水量之计算)
1)由高至低保持斜度。
2)避免高低起伏。
3)慎选排水立管之位置(设于管道间或柱子中)。
4)排水排至位置。
(1)地下室楼层排至地下室阀基,如无阀基,则地下室板下设置集排水坑;
(2)一楼以上楼层,排至一楼室外排水沟。
3.屋顶水管之设计
1)冰水管部份
开放式膨胀水箱系统,膨胀水箱装置在系统压力最低处,一般在泵之吸入侧,且在管系之最高点,建议距离管系最高点有2M以上之高度。
2)冷却水管部份
冷却水管不宜超过冷却水塔集水盘水位高度,若超过水盘水位高度,则冷却水管需设置电磁阀或逆止阀。
3)膨胀水管部份:应保持斜度,以利冰水管排气。可参见标准施工图说。
4)冷却水塔及膨胀水箱排水管部份:应排至屋顶漏水头附近,以避免潮湿及污染。
5)补给水管部份:设计前应与水电工程整体配合规划。
4.空调主机房水管布置原则
1)机器设备(主机、水泵浦……)与配电盘之布置。
2)机器设备防震问题。
3)水管系统之防震(水管与机器设备、主机房内水管吊支架之防震)。
4)水管配置之层数。
5)水管配置宜整齐。
6)水管配件之配置。
7)水管表阀之配置。
8)主机房之排水。
9)主机房内配管与保养维护之关系。
5.空调水管系统之平衡
1)逆回水管之设计
2)平衡考克(現多採平衡閥)之安装
3)送水集水头与回水集水头之平衡管
4)自动流量平衡阀之设置
5)排气阀之安装
6. 水泵配管注意要项
图4-18为一泵的连接管路,当设计泵管路时必须记住下列原则。
1)吸入管要短要直;
2)吸入管的管径要比泵的吸入口管径至少大一号;
3)吸入管不可产生空气囊(air pockets)
4)在泵吸入口处使用偏心减径接头以消除在吸入管内产生空气囊
5)不要在泵吸入口处使用水平弯头,任何在吸入管上的水平弯头都应在泵吸入口平面以下,如有可能,应在泵吸入口处有一垂直的弯头引导进入一减径管,再接到泵入口。
如果多泵被连接到同一集流管时,管路之连接如图4-19所示,此式能让每一泵送同量的水。即在部分负荷状况或减少水流量或当一泵被隔离后,其他泵仍能泵送同量的水。

7. 冷却水塔配管
由于冷却水塔为开放式设备,故冷却水管系为一开放式管系,
如果冷却水塔与凝结器在同一平面,泵只有小的吸入头,
过滤器应在排出端以使泵的吸入端能尽量接近大气。
常欲使入凝结器的冷却水保持等温,此可在冷却水塔旁加装一旁路管。
当凝结器与冷却水塔同一平面或在冷却水塔之上时,则在旁路管上加一三路分流阀.见图4-20。
→不可使用三路混合阀,因其位于泵之吸入端,能造成真空状况而不再能维持大气压力。
图4-21为当凝结器位于冷却水塔下方时的旁路配管。
此特殊的配管方式为在旁路管上安装二路自动控制阀。
通过旁路管的压力降,要能使在具有最大水流通过旁路时能平衡冷却水塔的不平衡静压头。
如果多个冷却水塔并联,则每一冷却水塔通到泵的吸入侧的摩擦损失要相等。
图4-22为冷却水塔配管的典型事例。均压(連通)管可用为使每座冷却水塔内的水位等高。

3.1 通用事项
3.1.1 关于冷却塔的使用规范:离地11层以上设置冷却塔时,主要部件要用耐火材料制造,无须做支撑防火。
3.1.2 冷却塔、泵浦、冷凝的配置注意事项。
(1)冷却塔与泵浦在同一水平线上的场合。

(a)保持泵浦吸入侧的正压。(防止气穴现象)
① 泵浦的高度在冷却塔水面以下。
② 泵浦应设在冷却塔附近。
③ 估算过滤器等的压力损失。(特别要注意混合三通阀的设置场合)
(b)泵浦的吸入侧负压时,使用自己注水型(内部注水及外部配管)
(c)冷却水配管(泵浦的出口处)高于水槽水面时,应安装止回阀和排气阀。
(d)冷却(送)水管比水槽水面高时,应设旁通管。
(2)冷却塔在冷凝器上方的场合:检查管路的压力分布,不能超过冷凝器的耐压上线。
① 冷却水泵浦在冷凝器的进水侧场合。

(a)泵浦停止时,防止冷凝器内的水流失。
① 在泵浦的出水侧安装止回阀。
② 冷凝器出水侧的配管应设于高于冷凝器的位置。
③ 设置止回阀,止回阀的配管口径主管下降4尺寸(最小20A)。
(b)泵浦停止时,立管件的回流水量不得超过冷却塔的容纳水量。
冷却塔的水槽容纳水量 > 立管(图中H)部分的存有水量(参照下表)
*泵浦停止时,主管H部分的水,因为是overflow,所以立管内的存水量很大,泵浦再次运转时,造成吸空气现象。
立管高度标准

*H超过上表的值时要防止空吸现象。
(c)防止overflow时产生的空吸现象(泵浦启动时),下面是利用的考虑方法:
① 安装电动阀或保持壓力的阀门(图中A部分)。
② 扩大水槽。
1)冷却水管配管应向冷却塔倾斜,但是在鸟居配管场合,应设自动或手动排气阀。
(2)冷却水管最下部应安装排水阀(兼作泵浦或冷凝器最下部分排水用)。
(3)从冷却塔到第一号主机(泵浦或冷凝器)的配管应设置过滤器(施工时,应进行清理干净)。
(4)在冷却水管与冷却塔接口处应设支撑,安装软接时,在软接附近设支撑。
(5)安装方型冷却塔时,冷却水(回)水管的横管应缩短(图中C)。(防止横向部分中的存水引起泵浦空吸)
(6)冷却塔的蒸发量,下水道流量被扣除的情况下,对下水道流量进行确认。
(a)管路与共用管连接处(尺寸与主管管径相同,但流速不能超过2m/s)防止。
*共通管路的热膨胀,应设软接。
(b)为使各冷却塔的水槽水位平行,应设旁通管。
*旁通管尺寸应比冷却塔出口配管的管径大。
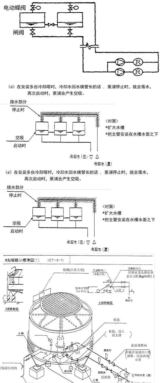
(c)在下图中的系统中,在控制多台冷却塔的场合,应在冷却水回水管上安装与泵浦连動的电动蝶阀。(冷却水出水管不设电动蝶阀)
* 泵浦停止时,管路被关闭,冷却水温度上升时,引起压力的异常。
*为防止泵浦出口处的管路内部压力异常上升,应稍微开启电动蝶阀。
8. 配管腐蚀
在开放系统内,因会溶解空气中之腐蚀性气体及不纯物而容易引起配管腐蚀,尤其溶解在温水中时,水中之氧气最容易引起腐蚀。腐蚀之原因如下:
(1)因溶解在水中之氧气引起腐蚀(参照图-1)
(2)因大气中之腐蚀性气体SQ3引起之溶解。
(3)于水中,异种金属间形成电池,因电位差引起腐蚀。可用绝缘接头插入于异金属配管间,阻止电流流通来防止。
(4)因埋设于地下之管与建筑物配管间之电位差引起之腐蚀。此可于管外面施予以防止。
大楼空调水管设计配合应注意事项
1.水管管道间
1)位置
2)数量
2.水管穿梁原则
1)RC梁
2)钢骨梁
3.冷凝排水管路径
4.空调主机房排水
5.空调水源
1)冷却水
2)冰水
6.储冰系统(若采用筏基为储冰槽)
1)位置
2)大小
3)保温及防水由空调施工
4)与建筑之责任分界点

