空调水系统包括冷却水系统(冷却水管、泵、冷却塔、冷凝器、阀门等)、冷冻水系统(冷冻水管、泵、末端、阀门、保温、膨胀水箱等)和冷凝水系统。

空调水系统包括:
1、冷媒水系统(空调水系统);
2、冷却水系统;
3、冷凝水系统;
夏季供冷时 :
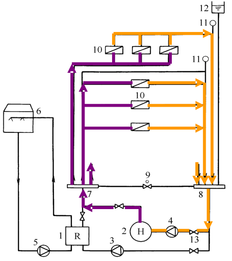
下图所示,冷水机组1制出的7℃冷冻水,在冷冻水泵3的作用下送至分水器7,然后由分水器通过各供水支管分别送至各空调房间或区域的空调设备10。在空调设备中,冷冻水与空气经热湿交换后,水温升至12℃又分别由各回水支管流回至集水器8,最后,返回至冷水机组1再被降温处理至7℃,如此反复循环。

1-水冷冷水机组 ;2-锅炉 ;3-冷冻水泵 ;4-热水泵 ;5-冷却水泵 ;6-冷却塔 ;7-分水器;8-集水器 ;9-压差控制阀 ;10-空调设备 ;11-自动排气阀 ;12-膨胀水箱 ;13-阀门
冬季供暖时 :
锅炉2制出的60℃热水,在热水泵4的作用下送至分水器7,然后按夏季供水路线循环,最后返回至锅炉2再重新被加热处理。
如下图所示:

夏季供冷和冬季供暖的转换,通过冷水机组和锅炉进出水管上的阀门启、闭实现。

图中膨胀水箱12的主要作用是收集因水被加热时体积膨胀而多出的水量,防止系统损坏造成漏水。另外,膨胀水箱还可起到补水和定压作用。

水系统中管道的高处容易积聚空气。当管道内存有空气时,会形成所谓”气堵”,影响水的流动。图中自动排气阀11是为随时排除系统内的空气而设置的。

水系统中设置阀门的作用 :
调节作用:调节管道中的水流量;
关断作用:中止水的流动。

空调水系统的功能是输送冷热量,以满足空调设备处理空气的需要。空调水系统的形式由于分类方式不一样,有很多类型,常见的有:
★闭式系统和开式系统;
★两管制系统、三管制系统和四管制系统;
★同程式系统和异程式系统;
★定流量系统和变流量系统;
★一次泵系统、二次泵系统和混合式系统。
1、开式与闭式循环
开式循环:开放式管路水循环系统的简称。
闭式循环:密闭式管路水循环系统的简称。

2、 同程式和异程式
同程式:各并联环路的管道总长度基本相等的水系统
异程式:各并联环路管道总长度不相等的水系统。

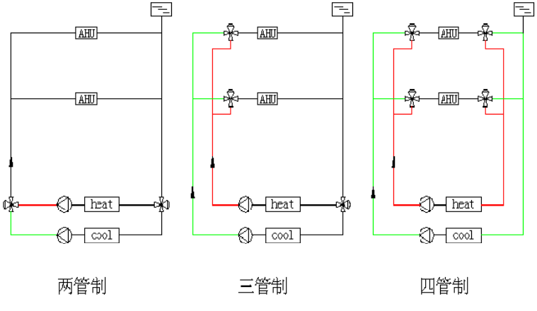
3、 系统管制(两管制、 三管制、 四管制)
二管制:冷水系统和热水系统采用相同的供水管和回水管, 只有一供一回两根水管的系统。
三管制:分别设置供冷管路、 供热管路、 换热设备管路三根水管;其冷水与热水的回水管共用。
四管制系统:采用两根供水管、两根回水管,分别供冷水和热水,各组换热设备并联在供、回水管之间。

4、 定水量和变水量系统
定水量系统(变水温系统):系统中循环水量为定值, 或夏季和冬季分别采用不同的定水量, 负荷变化时, 改变供、 回水温度以改变制冷量或制热量的系统。
变水量系统:保持供水温度在一定范围内, 当负荷变化时, 改变供水量的系统。

5、单式泵和复式泵
1单式泵:这种系统的冷、 热源侧和负 荷侧共用 一组(台)水泵。
2、该系统在冷热源侧和负荷侧各设置了一组)水泵, 整个系统可看成由两个环路组成。


