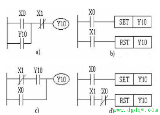
在PLC(可编程逻辑控制器)编程领域,结构化文本和梯形图是两种最为广泛使用的编程语言。对于初学者或缺乏相关背景的技术人员来说,从梯形图入手学习PLC编程无疑是一条捷径。这是因为,无论PLC的品牌如何,其梯形图的结构都与实际电气控制回路有着惊人的相似性。接下来,我们将介绍几种常见的控制电路,帮助大家回顾并深化对这一领域的理解。 1.启动、保持与停止电路 启动、保持与停止是PLC编程中的基础功能。通过四种不同的梯形图实现方式(如图a、b、c、d所示),我们可以清晰地看到如何实现这一功能。在这些梯形图中,x0代表启动信号,X1代表停止信号。图a和图c利用Y10的常开触点实现自锁保持,而图b和图d则通过SET和RST指令实现同样的效果。

2.多地控制电路 多地控制电路允许在不同位置对同一继电器线圈进行控制。在图例中,X0和X1是一个地方的启动和停止按钮,而X2和X3则是另一个地方的启动和停止按钮。这种设计在大型设备或需要远程控制的场景中尤为实用。

3.互锁控制电路 互锁控制电路确保在多个输出线圈中,每次只能有一个接通。在图例中,X0、X1和X2是启动按钮,X3是停止按钮。通过将Y0、Y1和Y2的常闭触点分别串联到其他两个线圈的控制电路中,实现了互锁功能。

4.顺序启动控制电路 顺序启动控制电路允许按照预定的顺序启动多个设备。在图例中,Y0的常开触点串联在Y1的控制回路中,这意味着Y1的接通必须以Y0的接通为前提。这种设计在需要按照特定顺序启动设备的场景中非常有用。

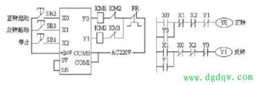
5.电机正反转电路 电机正反转电路是PLC编程中的一个重要应用。虽然具体的梯形图没有在此展示,但这一电路通常涉及对电机正转和反转的控制,以及必要的互锁和保护措施。

6.集中与分散控制电路 在由多台单机组成的自动线上,集中与分散控制是一种常见的需求。在图例中,x2为选择开关,其触点作为集中控制与分散控制的联锁触点。当X2为ON时,系统处于单机分散启动控制模式;当X2为OFF时,则切换为集中总启动控制模式。在两种模式下,单机和总操作台都可以发出停止命令。

通过了解这些常见的控制电路,我们可以更好地掌握PLC编程的基础知识和实际应用技巧。希望这篇文章能为初学者提供有益的指导和帮助。

