PLC编程入门:PLC梯形图入门与实用控制电路详解

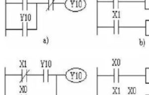
在PLC(可编程逻辑控制器)编程领域,结构化文本和梯形图是两种最为广泛使用的编程语言。对于初学者或缺乏相关背景…

联系我们

联系我们

15515572238

在线咨询: QQ交谈

邮箱: 328758160@qq.com

工作时间:周一至周五,9:00-17:30,节假日休息

关注微信
微信扫一扫关注我们

微信扫一扫关注我们

返回顶部
首页
机电课程
永久会员
资料精选
搜索