一、风机盘管构造、分类及特点
风机盘管机组可作为各类不同功能建筑物的空调系统末端,已成为我国最常见的空调系统之一。其工作原理是机组内不断地循环所在房间的空气,通过供冷水或热水的盘管冷却或加热空气,保持房间的温度。在夏季机组还可以除去房间的湿气,维持房间较低的湿度。盘管表面的凝结水滴入水盘内,然后不断地被排出。其结构组成如下图:

采用的风机一般有两种形式,即离心多叶风机和贯流式风机,叶轮直径一般在 150mm以下, 静压在 100Pa 以下。风机盘管机组的风机大多采用多叶离心风机。风机叶轮由镀锌钢板、铝板或者 ABS工程塑料制成。从防火或受热变形上考虑 ,目前大多使用金属叶轮。
一般采用电容式电机,运转时可以采用改变电动机输入端电压的方式来调速。国内 FP 系列机组采用含油轴承,平时不加油 ,能保证运转10000小时以上,近年随着建筑节能要求的提高,风机盘管电动机也采用直流无刷电动机,与传统交流电动机相比,电机具有体积小、质量轻、温升低和能效高的特点。
一般采用铜管串波纹或开窗铝片制作而成。铜管外径10mm , 管壁厚0.5mm , 铝片厚 0. 15~0. 2mm , 片距 2~2. 3mm。在工艺上,均采用胀管工序,保证铜管与肋片之间紧密接触,提高导热性能。盘管的排数有二排和二排。
过滤材料采用粗孔泡沫塑料,纤维织物或尼龙编织物等制作。
一般采用电容式电机的风机盘管机组配有三档变速开关(高、中、低三档)调节风量,调节风量范围为 100 %、75 % 、50% 左右。根据用户的要求,配带室温自动调节装置,调节室温。配有直流无刷电动机的风机盘管机组通过交直流转换器连续调速。
结构形式:卧式(W)、立式(L)、卡式(K)、壁挂(B)
进水方位:左式(Z)— 面对机组出风口,供回水管在左侧。
出口静压:低静压,高静压,G30/G50/G80(根据厂家样本)
风机盘管所说的几排指的是风机盘管表冷器铜管的排数,一般的二排就是铜管两排,每排8根,一共16根铜管;三排就是铜管三排,每排8根,一共24根铜管。铜管的根数越多,制冷效果越好。
(1)噪声较小。对于旅馆客房,夜间低档运行的风机盘管机组,室内环境一般在30~40dB(A) 。
(2)单机控制灵活。风机盘管机组的风机速度可调, 可分为高、中、低三档 ;水路系统采用冷热水自动控制温度调节器等,可灵活地调节各房间的温度;室内无人时,机组可停止运行,运转经济、节能。
(3)系统分区进行调节控制容易 。按房间朝向、使用目的, 使用时间等把系统冷热负荷分割为若千区域系统,进行分区控制。
(1)有时与建筑布局产生矛盾需要建筑上的协调与配合。
(2)机组分散设置,台数较多时,维修管理工作量较大。
(4)由于风机的静压小,在机组中不可能使用高性能的空气过滤器,空气洁净度不高,冬季不适用于高大空间的室内。
(5)水系统管道的保温必须严格保证施工质量,防止系统运转时凝结水滴下。
91SB6-1(2005)通风与空调工程p161-175
注:供回水采用铜闸阀,不锈钢软接(金属软接)。冷凝水软接采用增强纤维塑料管/橡胶管连接(不常用),冷凝水管采用聚氯乙烯管或镀锌钢管。
回水管上装电动二通阀,系统为变流量系统。供回水总管需加压差旁通阀(定流量)或冷热源采用变流量设计。目前电动三通阀基本不用。由于机组规格有限、水量调节范围小,通常采用通断阀即可。
◆红线为220V火线(L)直接接入温控器火线接口;BV-3×2.5
◆绿、棕、黄、分别对应温控器接入风机盘管高中低档位;
◆控制线为6色1.0平方的国标线。(或BV-6*1.5,穿JDG-20管)/ZRVV6×0.75
注:此类二通阀为常闭,断电自动关闭水路,通电水路打开,空调开始制冷;因此大家在这种二通阀的接线过程中发现温控器的接线端“关”那个接口是不需要接线的。
◆缺点:空调水路打开需持续保持通电状态,因此造成驱动头使用寿命缩短;
◆故障应急处理:当驱动头烧毁,一般二通阀会自动关闭,应急措施可通过驱动头上的小拉柄将二通阀强制打开以此来保证空调继续制冷或者制热。
◆红线为220V火线(L)直接接入温控器火线接口;BV-3×2.5
◆绿、棕、黄、分别对应温控器接入风机盘管高中低档位;
◆图中黑线为二通阀火线接入温控器“开”路接口;艳红线为二通阀接入温控器“关”路接口;
注:此类电动球阀水路开、关只需要通电一次,动作执行完毕自动断电,与上述二通阀不同,开、关都无需长时间通电。
◆优点:此类球阀无需长时间通电,驱动头使用寿命较长;
◆故障应急处理:驱动头烧毁,需将其卸下,再采用手动扳手将阀体强制打开或者关闭。
◆红线为220V火线(L)直接接入温控器火线接口;BV-3×2.5
◆绿、棕、黄、分别对应温控器接入风机盘管高中低档位;
◆控制线为5色1.0平方的国标线;(或BV-5*1.5,穿JDG-20管)/ZRVV4×0.75
◆以上接法仅能调节盘管风速,温度无法控制空调冷冻水的开、关。
电源线BV-3×2.5,穿JDG-20管。根据风机盘管数量、功率确定,一般一路控制在15台以内。
两管制带电加热型系统由温控器、风机盘管、电动阀、电加热器和接触器等组成。
工作原理:温控器实时检测房间温度并和设定温度进行比较,根据比较结果控制电动阀和电加热器的通断,从而使房间温度保持恒定。
系统配线要求:强电线缆建议使用BV1.0 单股铜线,需布7 根线。
四管制系统由温控器、风机盘管、电动阀组成。电动阀根据不同的应用系统有两通阀和三通阀。系统不设置旁通时选用两通阀;三通阀应用在系统设置有旁通时,正常制冷或者供热时,冷水/热水经盘管流回,不需要制冷或者供热时冷水/热水经旁通流回。
工作原理:四管制系统包含独立的冷冻水和热水两套换热装置,打开冷水阀系统供冷,打开热水阀系统供热。温控器实时检测房间温度并和设定温度进行比较,根据比较结果控制电动阀的通断,从而使房间温度保持恒定。
系统配线要求:强电线缆建议使用BV1.0 单股铜线,需布7 根线。
注:图例中同时出现两管制和四管制系统,只是为了说明系统接线,不是指同一工程会出现两种系统。
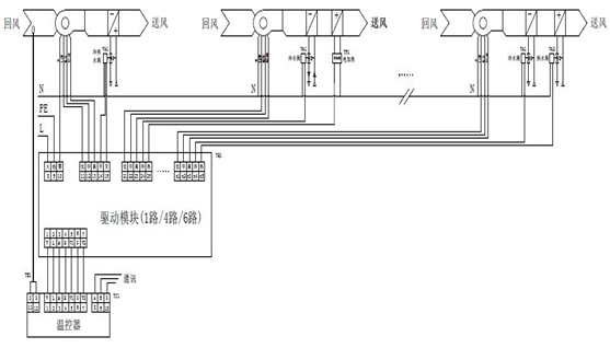
系统组成:一控多风机盘管系统主要应用在大空间里有多个风机盘管的场合,系统由分体温控器、驱动模块、风机盘管、电动阀等组成。
工作原理:一控多风机盘管系统由分体温控器连接驱动模块控制多路风机盘管,同启同停。温控器实时检测房间温度并和设定温度进行比较,根据比较结果控制电动阀的通断,从而使房间温度保持恒定。
系统配线要求:驱动模块电源线建议采用BV2.5 单股铜线。驱动模块到风机盘管电缆建议采用BV1.0单股铜线,不控阀时布3 根,两管制两线阀时布4 根,其它情况布5 根电缆。
温控器和驱动模块之间的连接线缆建议采用RVV0.5 规格的软线,不控阀时布5 根,两管制两线阀时布六根,其它情况布7 根。线缆的最大允许长度10m。
风机盘管的制冷量随供回水温差的增大而减少,据统计当供水温度为7℃,供、回水温差从5℃提高到7℃时,制冷量可减少17%左右。在可能的条件下,应尽量提高冷水入口温度和降低热水入口温度。
风机盘管的冷水入口温度,一般选用7℃~10℃,冷水温升取5℃;
规范《公共建筑节能设计标准》GB50189-2015中5.3.12设计风机盘管系统加新风系统时,新风宜直接送入各空气调节区,不宜经过风机盘管机组后再送出。
大空间布置风盘:中间回风,两边出风,抵挡室外冷负荷渗透,风盘应尽量靠近外墙外窗。嵌入式机组离边墙不大于3m。
由于盘管用久后管内积垢,管外积程,影响传热效果,冷热负荷需进行修正。
当房间高度超过3米时,不宜采用顶吹风散流器风口,应采用双层百叶风口下吹风口。当吊顶高度超过3米时,不宜选用天花式机型
短路主要是指出风口和回风口布置不合理,送风未到达人活动的范围就通过回风口回到了机组。断路主要是指出回风不在同一空调区域或出风达不到空调区域,短路及断路都将严重影响制冷、制热效果。
风口、风管过小,必然导致风速偏高或风量不足,产生噪音、制冷制热差果差。一般以出风口风速不大于2m/s确定出风口尺寸,回风风速不大于1.5m/s确定回风口尺寸。
当采用软风管时,软管长度不应超过4米。一般是FP-136WA至238WA机组用软风管较多,且软风管的阻力大,而机组静压小,若接管太长,会使最远的风口风量小和各个风口间风量不均匀。
风机盘管与水管连接时必须使用不锈钢软接管,水管与风机盘管相连时,应在进水管上安装“Y”形过滤器,在有节能要求的系统安装电动二通阀时,必须将其安装在回水管上。
一个控制开关只能控制一台风机盘管,不允许同时控制多台风机盘管,一个控制开关同时控制多台风机盘管,会导致风机盘管电机烧毁。
当吊顶空间大、顶层、吊顶内有散热,不应采用吊顶回风。吊顶回风的风盘,可以不需要回风箱。
≮φ8镀锌材质吊筋丝杆,截取长度以风盘校正水平,紧固后露出4-5丝最佳,风盘吊孔上下加装0.5-25px厚橡胶减震垫,托吊架材料L3*30角钢型材,做好防腐。
使用分集水器的安装方式:水模块与分水器之间主管采用Φ40或者Φ32的PPR管,分集水器与风机盘管之间使用铝塑管连接,流量分配均匀不易发生泄漏。水压试验压力0.6Mpa保持2小时无泄漏。
管路必须保温,保温层厚度20mm,冷凝水管路保温层厚度为10mm。
用U型卡或者其它方式固定,对保温材料的压缩量不大于2至3毫米。
冷凝水管路要保持一定坡度,对于自然排水的风机盘管的排水出口的坡度不小于1%,确保排水顺畅。满水试验不漏水,排水试验不存水。
1、温度开关损坏;用电笔测量温控开关输入端和风机输出桩头是否有电,如判断温度开关损坏,可更换或维修温度开关。
2、运行速度慢;a、感觉一下风机表面温度是否正常,b、停机后手动转动风叶,感觉转动是否灵活,如有阻力更换风机轴承,c、如手动盘运转正常,更换启动电容,d、测量电机线圈电阻,如不正常更换电机。
a、温差很小,打开盘管排气阀,检查水温是否正常,如水温正常,再检查二通阀是否打开,如二通阀未打开,继续检查二通阀供电是否正常,检查Y型过滤网是否堵塞,
b、进出口温差正常,查看房间保温是否正常,比如门窗是否关闭,如门窗未关空气对流后,空调就没有效果,应与客户做好解释工作,
c、进出口温差偏大出风口风量小,检查进风口滤网是否有灰尘,检查风机转速是否正常。
2、检查盘管翘片是否有灰尘,如果有灰尘应实施清洗方案;
3、检查风管内是否有异物、灰尘、积水等,清洁干净去除异味。
1、排水不畅,a、检查节水盘是否堵塞,b、检查排水管是否堵塞,c、检查排水管道坡度是否合理。
2、关闭空调主机、膨胀水箱补水阀增压泵、 循环泵;
5、危及到电梯时,关闭电梯电源,尽量停到高于爆管楼层;