热力站的分类:
根据热网输送的热媒不同,可分为热水供热热力站和蒸汽供热热力站;
根据热力站的位置和功能的不同,可分为用户热力站(点)、小区热力站、区域性热力站;
根据服务对象不同,可分为工业热力站和民用热力站。
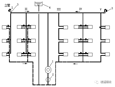
换热站流程图:

热力站设备管道剖面图:

生活热水分水缸大样图:


民用热力站的服务对象是民用用热单位(民用建筑及公共建筑),多属于热水供热热力站。
设置截断阀门、压力表和温度计;用户进水管上应安装除污器;
在用户供、回水管总管的阀门前设置旁通管。

民用集中热力站示意图(一)

民用集中热力站示意图(二)

民用小区热力站的最佳供热规模,取决于热力站与网路总基建费用和运行费用,应通过技术经济比较确定。
一般来说,对新建居住小区,每个小区设一座热力站,规模在5~15万㎡建筑面积为宜。
工业热力站的服务对象是工厂企业用热单位,多为蒸汽供热热力站。
工业蒸汽热力站示意图:

工作流程:热网蒸汽首先进入分汽缸1,然后根据各类热用户要求的工作压力、温度。经减压阀(或减温器)调节后分别输送出去。
凝结水箱有开式(无压)和闭式(有压)两种。
开式水箱多为长方形;闭式水箱为承压水箱。水箱应做成圆筒形。
开式水箱:

闭式水箱:

闭式水箱上安全水封的作用:
1)防止水箱压力过高;
2)防止空气进入箱内;
3)兼作溢流管用。

安全水封示意图:

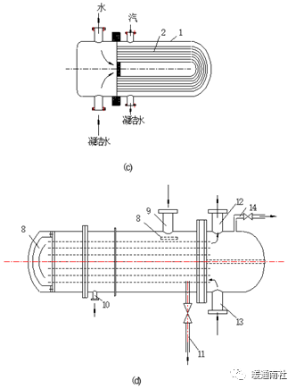
热水换热器:
用在热电厂及锅炉房中加热热网水和锅炉给水;在热力站和用户热力点处,加热供暖和热水供应用户系统的循环水和上水。
热水换热器的分类:
按参与热交换的介质分类,分为汽-水(式)换热器和水-水(式)换热器;
按换热器热交换(传热)的方式分类,分为表面式换热器和混合式换热器。
表面式换热器是冷热两种流体被金属壁隔开,而通过金属壁而进行热交换的换热器。

混合式换热器是冷热两种流体直接接触进行混合而实现热交换的换热器。
如淋水式、喷管式换热器等。
壳管式换热器:



固定管板式汽-水换热器:
主要优点是结构简单、造价低、制造方便和壳体内径小;
缺点是壳体与管板连在一起,造成泄漏;管间污垢的清洗也较困难。

带膨胀节的壳管式汽-水换热器:
克服了固定管板式汽-水换热器的缺点,但制造要复杂些。

U形管壳管式汽-水换热器:
优点:结构简单。
缺点:管内无法用机械方法清洗;单位容量及单位重量的传热量低。

浮头式壳管汽-水换热器:
清洗便利,且可将其管束从壳体中拔出。

热水换热器:
1、壳管式汽-水换热器
波节型壳管式换热器:传热系数明显增加;靠波节管束补偿热伸长,可以采用固定管板的简单结构型式。

分段式水-水换热器:每个分段外壳设波形膨胀节,以补偿其热伸长。各段之间采用法兰连接。
套管式水-水换热器:是最简单的一种壳管式,它是由钢管组成(管套管)的型式。套管之间用焊接连接。套管式换热器的组合换热面积小。

板式换热器:


主要组成部分:传热板片,固定盖板,活动盖板,定位螺栓,压紧螺栓等。

优点:板式换热器是一种传热系数很高,结构紧凑,适应性大,拆洗方便,节省材料的换热器。
缺点:板式换热器的板片间流通界面窄,水质不好形成水垢或污垢沉积都容易堵塞,密封垫片耐温性能差时,容易渗漏和影响使用寿命。
集中供热示意图:

某换热站实景:


