机电天下 暖通空调 收藏┃暖通空调常用图例,史上最全总结

收藏┃暖通空调常用图例,史上最全总结

一、水、汽管道
(一)水、汽管道代号
水、汽管道可用线型区分,也可用代号区分。
水、汽管道代号
(二)水、汽管道阀门和附件图例
水、汽管道阀门和附件图例
二、风道
(一)风道代号
风道代号
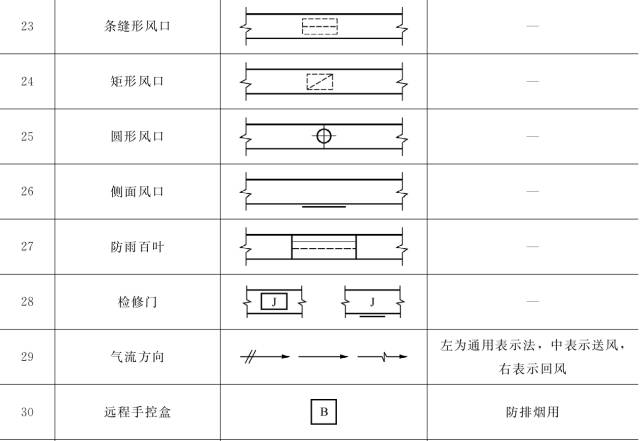
(二)风道、阀门及附件图例
风道、阀门及附件图例
风口和附件代号
三、暖通空调设备
暖通空调设备图例
四、调控装置及仪表
调控装置及仪表图例

本文来自网络,不代表机电天下立场,转载请注明出处:https://mepbbs.com/archives/2937
上一篇
下一篇

发表回复

您的电子邮箱地址不会被公开。 必填项已用 * 标注

联系我们

联系我们

15515572238

在线咨询: QQ交谈

邮箱: 328758160@qq.com

工作时间:周一至周五,9:00-17:30,节假日休息

关注微信
微信扫一扫关注我们

微信扫一扫关注我们

返回顶部
首页
机电课程
永久会员
资料精选
搜索