机电天下 暖通空调 制冷系统为什么要做回油弯?什么情况要做回油弯?

制冷系统为什么要做回油弯?什么情况要做回油弯?

一、为什么要是设置回油弯?

 

当系统的配管存在较大的落差时,为了防止冷冻机油无法有效回到压缩机,影响压缩机的使用寿命,因此在竖直管路上必须设置存油弯。
二、什么情况下要设置回油弯?

 

1、当主机高于末端(蒸发器)时:蒸发器到主吸汽管之间有一段上升立管,因为冷冻油在蒸发器中不会蒸发汽化故积存在底部,当蒸发器底部积存冷冻油较多时就会堵塞吸汽管。如果蒸发器底部设置了回油弯后,油积存在这个弯头里面的存量不会太多,只要该弯头即将被堵塞,两端的压差足以将弯头内有限的冷冻油“泵”出来,直至顶端的水平吸汽管,然后顺坡被压缩机吸回。
如果担心上升立管太长,不足以将油泵到顶端,就应考虑上升段吸汽管每隔一定高差距离(比如6米~10米)就设置一个回油弯,使冷冻油分段逐步地返回主机。
2、当主机低于末端(蒸发器)且高差较大时:虽然不用回油弯也可使冷冻油自动顺坡回到主机,但这时担心回油量太大引起主机“液击(油击)”,所以主吸汽管每隔一定高差距离(比如6米~10米)就设置一个回油弯,使冷冻油分段逐步地返回主机。
3、低负荷运转时:回油弯内积聚冷冻油,由于受流速限制,仅靠“只要该弯头即将被堵塞,两端的压差”来驱动回油效果很微小的,关键点在一定周期内要提升压机输出能力提高吸气速度。
如果吸气速度可以提升到较大的数值,那么就没有必要增加回油弯了,而实际情况是,小负荷时内换热效果的影响压机的输出增加过量,容易造成系统控制一些问题,低压过低,吸气无过热度等,这样就意味着吸气速度提升是有限的,在大高差时,就必须利用回油弯来逐级回油!
案例:咨询过一套三菱重工海尔多联机,在空调使用季节,更换了8个压缩机,用户都受不了了,为你什么更换这么多压缩机呢?他们咨询的目的就是要找到原因,从源头杜绝这种情况的继续发生。询问现场安装情况得知,外机在房顶,内机在下,内外机落差48米,达到了厂家允许的极限,管路上没有一个回油弯;后来给出的解决方案就是:
1、更换全部压缩机,清理系统的油污。
2、在路管路上增加回油弯,每6米增加一个回油弯。
3、在室外机往下翻女儿墙的地方做一个“止回湾”。
4、恢复系统,重新抽真空,定量加制冷剂。
后来询问他们,说是压缩机不再频繁损坏,已经运行一个夏天没有问题了。可以不设置回油弯对制冷设备造成严重的损害!
三、设置回油弯的原则
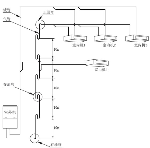
1、当系统室内外机之间存在落差时,气管的立管部分从下往上每/8米或10m 处安装一个存油弯。存油弯制作采用两个“U”形弯或者一个“O”形弯,高度为管径的3 ~ 5 倍。同时在立管的最低处和最高处加设存油弯和止回弯。
2、排气管设计与回气管相同,设计时必须考虑控制压降,保证带油,防止液击及防止产生噪音和震动。
回油弯、止回弯尺寸参考:
四、回油弯安装技术要求:
室外机处于室内机下方:
室外机处于室内机上方:

本文来自网络,不代表机电天下立场,转载请注明出处:https://mepbbs.com/archives/2482
上一篇
下一篇

发表回复

您的电子邮箱地址不会被公开。 必填项已用 * 标注

联系我们

联系我们

15515572238

在线咨询: QQ交谈

邮箱: 328758160@qq.com

工作时间:周一至周五,9:00-17:30,节假日休息

关注微信
微信扫一扫关注我们

微信扫一扫关注我们

返回顶部
首页
机电课程
永久会员
资料精选
搜索