管道工程图的分类:


管道工程图的一般规定:
按国家标准GB/T50114-2010暖通空调制图标准、GB/T50106-2010给排水制图标准。
① 图线。
② 比例:总平面图、平面图、轴测图的比例宜与工程项目设计的主导专业一致。
③ 标高:其符号为等腰三角形,以米(m)为单位,精确到厘米(cm)和毫米(mm)。
④ 坡度:坡度用数字表示,箭头表示坡度向下。
⑤ 管径标注与系统编号:管径以毫米(mm)为单位,表达方式应符合规定。当建筑物给排水引出和引入管的数量超过一根时,宜进行编号。
⑥ 管道的转向、分支、重叠及密集处的表示法。
图线线型:
GB/T50114-2010《暖通空调制图标准》要求:
2.1.2 基本宽度b宜选用0.18、0.35、0.5、0.7、1.0mm。
2.1.3 图样中仅使用两种线宽时,线宽组宜为b和0.25b。三种线宽的线宽组宜为b、0.5b和0.25b,并应符合表2.1.3的规定。

注:需要缩微的图纸,不宜采用0.18及更细的线宽
2.1.4 在同一张图纸内,各不同线宽组的细线,可统一采用最小线宽组的细线。
2.1.5 暖通空调专业制图采用的线型及其含义,宜符合表2.1.5的规定。

GB/T50106-2010《建筑给水排水制图标准》:
2.1.1 图线的宽度b,应根据图纸的类型、比例和复杂程度,按现行国家标准《房屋建筑制图统一标准》GB/T50001中的规定选用。线宽b宜为0.7mm或1.0mm。
2.1.2 建筑给水排水专业制图,常用的各种线型宜符合表2.1.2的规定。
表2.1.2 线型

比例:
暖通空调:
2.2.1 总平面图、平面图的比例,宜与工程项目设计的主导专业一致,其余可按表2.2.1选用。

建筑给水排水:
2.2.1建筑给水排水专业制图常用的比例,宜符合表2.2.1的规定。
表2.2.1 常用比例

2.2.2 在管道纵断面图中,竖向与纵向可采用不同的组合比例。
2.2.3 在建筑给水排水轴测系统图中,如局部表达有困难时,该处可不按比例绘制。
2.2.4 水处理工艺流程断面图和建筑给水排水管道展开系统图可不按比例绘制。
标高:
建筑给水排水:
2.3.2 室内工程应标注相对标高;室外工程宜标注绝对标高,当无绝对标高资料时,可标注相对标高,但应与总图专业一致。
2.3.3 压力管道应标注管中心标高;重力流管道和沟渠宜标注管(沟)内底标高。标高单位以m计时,可注写到小数点后第二位。
2.3.4 在下列部位应标注标高:
1 沟渠和重力流管道:
1)建筑物内应标注起点、变径(尺寸)点、变坡点、穿外墙及剪力墙处;
2)需控制标高处;
3)小区内管道按本标准第4.4.3条或第4.4.4条、第4.4.5条的规定执行;
2 压力流管道中的标高控制点;
3 管道穿外墙、剪力墙和构筑物的壁及底板等处;
4 不同水位线处;
5 建(构)筑物中土建部分的相关标高。
2 压力流管道中的标高控制点;
3 管道穿外墙、剪力墙和构筑物的壁及底板等处;
4 不同水位线处;
5 建(构)筑物中土建部分的相关标高。
2.3.5 标高的标注方法应符合下列规定:
1 平面图中,管道标高应按图2.3.5-1的方式标注;

2 平面图中,沟渠标高应按图2.3.5-2的方式标注;

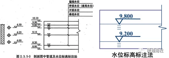
3 剖面图中,管道及水位的标高应按图2.3.5-3的方式标注;

4 轴测图中,管道标高应按图2.3.5-4的方式标注。

2.3.6 建筑物内的管道也可按本层建筑地面的标高加管道安装高度的方式标注管道标高,标注方法应为H+×.××,H表示本层建筑地面标高。

坡度及坡向:
坡度数值不宜与管道起、止标高同时标注。标注位置同管径标注位置。

管径与编号:
建筑给水排水:
2.4.1 管径的单位应为mm。
2.4.2 管径的表达方法应符合下列规定:
1 水煤气输送钢管(镀锌或非镀锌)、铸铁管等管材,管径宜以公称直径DN表示;
2 无缝钢管、焊接钢管(直缝或螺旋缝)等管材,管径宜以外径D×壁厚表示;
3 铜管、薄壁不锈钢管等管材,管径宜以公称外径Dw表示;
4 建筑给水排水塑料管材,管径宜以公称外径dn表示;
5 钢筋混凝土(或混凝土)管,管径宜以内径d表示;
6 复合管、结构壁塑料管等管材,管径应按产品标准的方法表示;
7 当设计中均采用公称直径DN表示管径时,应有公称直径DN与相应产品规格对照表。

2.4.3 管径的标注方法应符合下列规定:
1 单根管道时,管径应按图2.4.3-1的方式标注;
2 多报管道时,管径应按图2.4.3-2的方式标注。


编号:
2.5.1 当建筑物的给水引入管或排水排出管的数量超过一根时,应进行编号,编号宜按图2.5.1的方法表示。

2.5.2 建筑物内穿越楼层的立管,其数量超过一根时,应进行编号,编号宜按图2.5.2的方法表示。



管道的转向、分支、重叠及密集处的表示:
管线的表示:

单线管的转向:

双线管的转向:

单线管的分支:

双线管的分支:

单线管的分支:

管道跨越:

管道的交叉:

单线管的重叠:

双线管的重叠:

送风管转向的画法见图:



管道代号:
4.4.2 暖通空调系统编号、入口编号,应由系统代号和顺序号组成。
4.4.3 系统代号用大写拉丁字母表示(见表4.4.3),顺序号用阿拉伯数字表示如图4.4.3所示。当一个系统出现分支时,可采用图4.4.3(b)的画法。


3.1.1 水、汽管道可用线型区分,也可用代号区分。水、汽管道代号宜按表3.1.1采用。

管道图例:

表3.0.2 管道附件



管道工程图的表示方法:
管道平面图:管道施工图中最基本的一种图样,它主要表示设备、管道在建筑物内的平面布置,管线的走向、排列和各部分的长宽尺寸,以及每根管子的坡度和坡向,管径和标高等具体数据及其相对位置。
给排水管道平面图图:用单粗线表示,将装于下层空间的管道而为本层使用的管道,绘于本层平面图上。
采暖管道平面图:供水立管用黑点,回水立管用圆圈,标注编号靠近墙外侧处,散热器的规格数量标注在外窗外墙外侧处。
通风空调平面图:宜用双线(粗实线),法兰用单线,交叉时不可见轮廓线不绘制。标注管道中心线与建筑轴线位置。
管道轴测图:是一种立体图,又称为系统图。它能在一个图面上同时反映出管线的空间走向,帮助我们想象管线在空间的布置情况。系统图有时也能替代管道立面图或剖面图。给排水、采暖系统是用45°正斜轴侧图,通常叫做系统图或原理图。

管道剖面图和立面图:它主要表达设备、管道在建筑物内垂直方向上的布置和走向,以及每路管线的编号、管径和标高等具体数据。给排水和供暖工程图一般不用剖面图,用详图中的大样图表示。通风空调管道工程图,根据需要绘制剖面图和立面图表示管道和设备的位置及布置情况,应标出管道中心线的标高。




管道节点图:是管道图某个局部的放大图。当管道平面图、立面图和剖面图等图样,对某一节点部位无法表示清楚时,需要绘制节点图。该图能清楚地反映出某一局部管道或组合件的详细结构和尺寸。一般是以英文字母为代号的,有2种表示方法。
展开图:通风管道及大直径的钢板卷制管道中所用的弯头、三通和大小头等管件,一般没有成品,需要在现场或加工厂放样下料制作。
管道工程图识读的特点:
工程图中是以图例符号代表其各管道系统的内容。
管道工程图与房屋建筑图是密不可分的,搞清关系。
管道系统总有一定的来龙去脉,搞清终点和始点。
轴测图表示管道的空间位置,应与平面图对照阅读。
管道工程图都有其习惯画法和规定。
应熟悉以下规定:
①给排水系统中安装在下层的管道绘制在本层平面图上;
②实墙、埋地管道不用虚线而用实线表示;
③局部管道未按比例绘制,尺寸按规范和标准图确定。
④给水管只绘制到水龙头,排水管绘制出口处存水弯,不绘卫生器具,水泵只绘至进出口的管道和水泵基础外形的轮廓线。

