水力失调与水力平衡
水力失调分为静态水力失调与动态水力失调。
1.静态水力失调是指由于设计、施工、设备材料等原因导致的系统管道特性阻力数比值与设计要求的系统管道特性阻力数比值不一致,从而使系统各户的实际流量与设计要求流量不一致,引起的水力失调,叫做静态水力失调。
静态水力失调是稳态的、根本性的,是系统本身所固有的,是暖通空调水系统中水力失调的重要因素。
通过在管道系统中增设静态水力平衡阀,在系统初调试过程中对系统管道特性阻力数比值进行调节,使其与设计要求一致,当系统总流量达到设计流量时,各空调单元也同时达到设计流量。
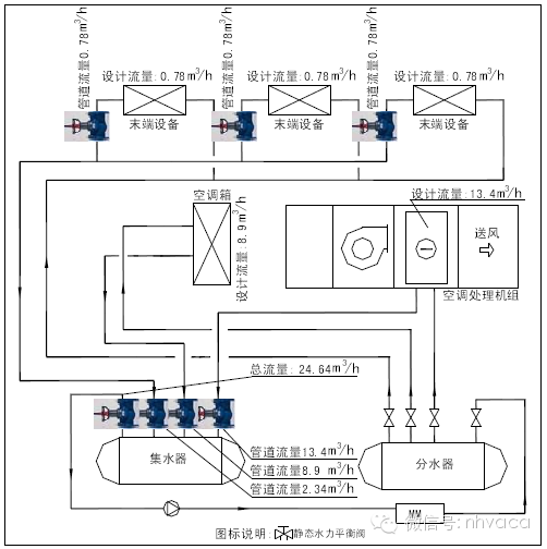
典型的静态水力失调系统:
由于没有安装静态水力平衡阀,虽然总流量与设计总流量一致,即:24.64=3*0.78+8.9+13.4。
但各个末端设备、空调箱、空气处理机组的流量与设计流量均不一致。
如:空气处理机组的实际流量15.6远大于设计流量13.4,导致过流;而空调箱的实际流量6.78远小于设计流量8.9,导致欠流。

典型的静态水力平衡系统:
由于安装了静态水力平衡阀,并且系统初调试合格。这时一方面系统总流量与设计总流量一致,即:24.64=3*0.78+8.9+13.4。
另一方面三个末端设备、空调箱及空气处理机组的实际管道流量均等于设计流量。
如:空气处理机组的实际流量13.4等于设计流量13.4;空调箱的实际流量8.9也等于设计流量8.9。

2.动态水力失调是指系统实际运行过程中当某些阀门开度变化引起水流量改变时,系统的压力产生波动,其他用户的流量也发生改变,偏离系统要求流量,从而引起的水力失调,叫做动态水力失调。
动态水力失调是动态的、变化的,不是系统本身所固有的,在系统运行的过程中产生的。
通过在管道系统中增设动态水力平衡设备,当其它用户阀门开度发生变化时,通过动态水力平衡设备的屏蔽作用,使自身的流量不发生变化,末端流量不互相干扰。

水力循环系统的三个条件
所有末端装置必须都能够达到设计流量。
通过控制阀的压差不能有太大的变化。
一二次环路水流量必须一致。
第一个水力工况条件
所有末端装置必须都能够达到设计流量。
对于需要安装同程管道的同程系统,因为系统的不平衡较大的单元将得到更多的流量。

自动流量平衡阀淘汰了同程管的使用,节余资金的同时提升系统的工作表现。

同程系统+ 手动平衡

输配系统
在刚开始启动时,最近的回路发生过流而损害了最后的回路的流量。

最不利环路的启动时间将相对较长。过流并不会成比例增加热量的输出。

当系统平衡时,起动将很快很好地达到设计所需的要求。当系统不平衡时,必须更早地开始工作(开机)。

在许多情况下,控制系统根本不能很好地控制两通阀门起动,负荷突然变化,温控装置的不理想设置。

在冬季室温每升高1度的成本:百分之6到11。
在夏季室温每降低1度的成本:百分之12到18。
一般的平衡方案
调整每个末端的流量至设计流量(当控制阀全开时),同时产生最小的额外压差。
各式各样的平衡方案

系统平衡方法
1.比例法:采用空气系统平衡方法,系统压降方面不是最佳;
2.补偿法:专门为设有平衡阀的系统而设计,系统压降最优;
3.平衡法:全电脑计算;自动判断最不利环路,系统压降最优。

第二个水力工况条件
通过控制阀的压差不能有太大的变化。对非线性特性进行补偿。

两通调节阀阀权度:

现实条件下,两通阀的尺寸选择过大以及根据系统要求流量变化而变化的压差导致阀权度远达不到要求。
在较低的系统要求下, 只有很少的流量和管道摩擦力,导致作用于控制阀的压差增大。
一个很小的室温的变化可观的增加输出能量,结果 = 振荡控制。

压差的变化
在50%热输出时,系统中流量只有设计流量的20%,压降降至设计压降的4%。
所有的水泵资用压头作用于两通调节阀上。

过低的阀权度使调节控制工作如开/关阀!!
变化的压差造成的过低的阀权度导致昂贵的两通阀的工作状态象便宜的开/关阀门。
结果:温度高低波动。
怎样判断在哪些系统中压降的变化将显著影响控制能力?

工作过程


部分流量时典型阀权度 – 手动平衡

部分流量时典型阀权度 – 自动平衡

第三个水力工况条件
一二次环路水流量必须一致。
不同压差下工作状态

如下所示例子,压差范围14 – 210 kPaD

解决冷冻机分步启动的问题
在没有自动平衡设备的条件下,即使每台冷冻机都安装一台泵,流量也会因为冷冻机分步启动而产生波动。

解决冷冻机分步启动的问题
对并联运行的定流量水泵,总流量由总的阻力决定- 包括管道。
在系统没有自动平衡的条件下,当部分设备关闭时,管道中流量减少,泵头阻力减少,保持工作的泵加速运行产生过流。
在没有自动平衡设备的条件下,当管道中的流量降低,泵头的压力将导致泵速度的增加和持续工作设备的过流。

在冷机后安装平衡阀可以有效地解决问题。
当泵的工作数量变化时,自动平衡阀将根据系统阻力的变化调整以保持设计流量。
重要:检查阀门的最小和最大 作用压差在阀门的调整范围内!
最大kPaD将在一台泵工作的时候得到。

自动平衡简化系统设计
自动平衡阀只需要装在空气处理机组,风机盘管,冷机,冷凝器等处。不需要模块设计。

水力循环系统的三个条件
使控制器发挥作用
确保暖通空调系统满足三个水力工况条件

定流量系统与变流量系统
1.定流量系统
定流量是指系统中不含任何动态阀门,主要用于末端设备无须通过流量来调节的系统,如风机盘官采用三速开关,空调箱采用变风量调节温度的空调系统以及系统要求较低,只需补偿器调节供暖水温即可满足需要的采暖系统。
定流量系统只存在静态水力失调,不存在动态水力失调,因此只要在相关部位安装静态水力平衡阀即可。
通常在系统机房的集水器以及关键的垂直、水平回水支管上安装静态水力平衡阀。
2.变流量系统
变流量是指在系统运行过程中各分支环路的流量随着外界环境负荷的变化而变化的。大部分时间系统流量是低于设计流量。
变流量系统一般即存在静态水力失调也存在动态水调,因些既要安装静态水力平衡阀,又要合理选择动态水力平衡设备。
通常在系统机房的集水器以及关键的垂直、水平回水支管上安装静态水力平衡阀。
在需要恒定流量的锅炉及冷机管路附近安装固定式动态流量平衡阀。
在需可调式动态流量平衡时采用静态阀与差压阀结合,对流量进行调节,主要用于重要分支管理及需精确调节的空气处理单元。
动态水力平衡设备可以取代静态水力平衡阀吗?
静态水力平衡阀有一个非常可贵的特点,当调试完毕后,既与系统中其他管件组成一体,它保证的不是系统中某一段管道的流量不变,它维持的是系统中各串并联管道间的流量比值与设计流量比值一致。当系统处于部分负荷运行状态时总流量减少时,系统中各分支管路会自动等比例的减少流量,而各分支管道的流量比值不变。
动态水力平衡设备是解决暖通空调水系统动态水力失调问题,使系统达到动态水力系统平衡,它的一个基本特征就是克服水力系统流量的变化,既在系统的压力波动时维持自身流量不变。
全面水力平衡系统方案
静态水力平衡阀:集水器回水管和总管、风机盘管各层水平供水管、主要的分支关路回水管。
动态流量平衡阀:冷水机组冷冻水、冷却水供水管、变风量系统的末端设备等需要流量维持恒定的部位。
动态平衡电动二通阀:风机盘管供水管组合阀(电动调节阀+动态流量平衡阀):空调箱、空气处理机组、新风机组等处。

静态水力平衡阀:集水器回水管和总管、风机盘管各层水平供水管、主要的分支关路回水管。
动态流量平衡阀:冷水机组冷冻水、冷却水供水管、变风量系统的末端设备等需要流量维持恒定的部位。
组合阀(电动二通阀VC+动态流量平衡阀):风机盘管FCU组合阀(电动调节阀+动态流量平衡阀):空调箱、空气处理机组、新风机组等处。

全能阀:空调箱、空气处理机组、新风机组等处。
动态流量平衡阀:冷水机组冷冻水、冷却水供水管、锅炉换热器供水管、变风量系统的末端设备、等需要流量维持恒定的部位。
电动压差阀:风机盘管各层水平回水管。
动态平衡电动二通阀:风机盘管供水管。
静态水力平衡阀:集水器回水管和总管。

动态浮动定压的变流量水力平衡系统

应用实例
风机盘管系统
下图为一个典型的动态压差平衡应用实例:

1、安装位置:在空调风机盘管水系统各层水平回水管上分别安装动态压差平衡阀;
2、设定压差:风机盘管系统各层水平回水管动态压差平衡阀设定压差应根据“在所有的风机盘管开启时,在最不利环路上的管路阻力值”来确定;
3、使用功能:
维持压差恒定功能:通过动态压差平衡阀保证各层风机盘管系统供回水管的压差不变,保证一方面层与层之间的风机盘管系统的调节不互相干扰,另一方面,同层风机盘管之间也不互相干扰(忽略延程阻力)。
风机盘管系统(电动调节阀)
下图为动态平衡电动调节阀在空调水系统中典型应用:

1、安装位置:在空调水系统各风机盘管供水管上安装动态平衡电动调节阀;
2、流量要求:动态平衡电动调节阀动态平衡阀胆的流量应根据对应风机盘管的额定流量来确定;
3、使用功能:
⑴、电动调节功能:与一般电动调节阀一致;
⑵、动态平衡功能:不管系统压力如何变化,始终维持流量不超过设计流量。
水水热交换器管路:
下图为在制冷机房水水热交换器上的应用:

1、安装位置:在水水热交换器一次热水回水管上安装动态压差平衡阀;
2、设定压差:根据”在流量为设计流量时两个取压点之间的设计压差”来确定;
3、使用功能:维持取压点之间的压差恒定。
冷水机组系统:
下图为一个典型的动态流量平衡阀应用实例:

1、安装位置:在三台水冷冷水机组的冷冻水、冷却水进水管分别安装动态流量平衡阀;
2、流量要求:每台动态流量平衡阀的流量根据对应水冷冷水机组冷冻水或冷却水的额定流量定制;
3、使用功能:维持流量恒定功能:不管系统压力如何变化,动态流量平衡阀管路的流量始终维持不变,且等于水冷冷水机组冷冻水(或冷却水)的额定流量,保证主机正常工作。
区域供热锅炉房及管网:
下图为区域供热系统应用实例:

1、安装位置:在锅炉供水管、热水分水器出水管及区域管网楼宇单体供水管处;
2、流量要求:每台动态流量平衡阀的流量根据对应管道的设计流量定制;
3、使用功能:恒流及限流功能:保证区域供热管网的流量分配,一方面保证足够的流量流入各楼宇单体,另一方面避免流入的流量过大而导致其它区域的流量不够。
选型参考
案例1:
如下图所示,为三台风冷冷水机组(图中MM表示)并联,在每台机组冷冻水进水管处安装动态流量平衡阀.已知冷冻水设计流量为85m3/h,进水管管径为DN200,要求启动压差不得大于25KPa,应如何选型?

选型步骤:
(1)根据冷水机组冷冻水设计流量85m3/h、启动压差不得大于25KPa的要求,查球墨铸铁动态流量平衡阀的主要性能参数表可得:
①、产品型号XXX:DN200、15-150KPa,88.97m3/h
②、产品型号XXX:DN250、15-150KPa,88.97m3/h
满足性能要求。
(2)根据在满足性能要求的前提下应尽量降低设备投资费用的原则,应选用小口径的动态流量平衡阀;
(3)所以,所选动态流量平衡阀的OS#为:产品型号XXX(查各厂商样本)
材质:球墨铸铁,尺寸:DN200,工作压差范围:15-150KPa,流量: 88.97m3/h。
如下图所示,在二管制风机盘管水系统末端管道上选用动态平衡电动二通阀,风机盘管的设计流量是1.45m3/h,接管及末端管道管径均为DN20,要求提供电缆连接,如何选型?
案例2
如下图所示,在二管制风机盘管水系统末端管道上选用动态平衡电动二通阀,风机盘管的设计流量是1.45m3/h,接管及末端管道管径均为DN20,要求提供电缆连接,如何选型?

选型步骤:
⑴根据二管制、电缆连接,选择电动执行器XX,其技术参数为:
电压200-240VAC/50(60)Hz、功耗Max 6W、三线SPDT输出、1米长连接电缆。
⑵根据设计流量及管径,选择动态平衡电动二通阀阀体为XX,其技术参数为:规格尺寸DN20BSPP、流量1.51m3/h,工作压差范围22-180KPa,关闭压差4Bar。
⑶综上所述,所选动态平衡电动二通阀的OS#为:产品型号:XXX
⑷ 上图为使用该阀的实际流量分布图,由图可知在阀门开启时流量近似等于1.51m3/h,满足设备要求。
案例3
下图为“动态流量平衡阀+电动调节阀”组合的一种典型应用形式:

1、应用场合:空调末端设备—如空调箱、空气处理机组、新风机组—等目标区域的温度控制;
2、方式:对末端设备流量分配的动态控制与限定;
3、功能:
⑴、电动调节功能:与一般电动调节阀一致;
⑵、流量的动态控制与限定功能:不管系统压力如何变化,能始终动态的控制末端设备的流量分配,并限定流量不会超过系统提供给该设备的设计流量;
⑶、最大流量设定在设计流量:能将组合阀的最大流量设定到末端空调设备所需的设计流量。
4、特点:
⑴、流量、温度控制精度较高;
⑵、无需调试和维护、安装工作简单;
⑶、整体造价较适中,性价比较好,适用于对空调温度控制精度要求较高的中、大型空调系统。
案例4
如下图所示,动态流量平衡阀和电动调节阀安装在供水管上。已知空调箱的设计流量为14m3/h,允许两阀各消耗的压损分别不超过25KPa、20KPa,连接管径为DN65,如何进行选型?

选型计算步骤如下:
⑴、根据空调箱设计流量计算电动调节阀在压差△P=0.2Bar时所需的Kv值:Kv=Q/(△P)0.5= 14/(0.2)0.5=31.3
⑵、根据计算的Kv值选择电动调节阀规格:选择电动调节阀口径为DN50,其KVS=40≥31.3满足要求;
⑶、根据实际KvS值和空调箱计算流量值算出实际压差△Ps:△Ps=(Q/ KVS)2=0.123Bar=12.3KPa
⑷、根据设计流量14m3/h,DP3/h,最小压差15KPa。
下图为“动态流量平衡阀+电动蝶阀”组合的一种应用形式:

1、应用场合:冷水机组流量及台数切换控制;
2、方式:对流过冷水机组的流量进行恒定,并根据需要切换电动碟阀关断冷水机组水流;
3、功能:
⑴、定流量功能;
⑵ 、并联台数切换。
下图为“动态压差平衡阀+静态平衡阀”组合的一种应用形式:

1、应用场合:风机盘管系统的流量和压差控制;
2、方式:对同层风机盘管系统供回水压差进行设定,并预调流量
3、功能:
⑴、流量预设定
⑵、层之间和层内的动态平衡。
4、特点:
⑴、提高风机盘管系统的调节精度,一定程度上避免层与层之间和同层内的相互干扰。
⑵、安装、维护工作简单、调试稍复杂;
⑶、适用于对空调温度控制精度要求较高的中、大型空调系统。

