在机电工程中,常用的型材主要有:圆钢、方钢、扁钢、H型钢、角钢、工字钢、T型钢、槽钢、钢轨等。

等边角钢、不等边角钢:
常用规格和参数:
a、热扎等边角钢(GB/T706-2008)(碳素钢Q235)
|
型号 |
尺寸(mm) |
理论 重量(kg/m) |
型号 |
尺寸(mm) |
理论 重量(kg/m) |
||
|
b |
d |
b |
d |
||||
|
2.5 |
25 |
3 4 |
1.124 1.459 |
6.3 |
63 |
5 6 |
4.822 5.721 |
|
3 |
30 |
3 4 |
1.373 1.786 |
7 |
70 |
6 7 |
6.406 7.398 |
|
4 |
40 |
3 4 |
1.852 2.422 |
||||
|
5 |
50 |
4 5 |
3.059 3.770 |
||||

角钢:热扎不等边角钢(GB/T706-2008)(碳素钢Q235)
|
型号 |
尺寸( mm) |
理论 重量 (kg/m) |
||
|
B |
b |
d |
||
|
3.2/2 |
32 |
20 |
3 4 |
1.171 1.522 |
|
4/2.5 |
40 |
25 |
3 4 |
1.484 1.936 |
|
5/3.2 |
50 |
32 |
3 4 |
1.908 2.494 |
|
6.3/4 |
63 |
40 |
5 6 |
3.920 4.638 |
主要用途:
a、支架及金属结构制作
b、风管法兰制作
检验方法:
a、每批材料应有有效的质保档,且应加盖经销商红章(质量专用章)。
b、外观目测光滑、无锈蚀,无开裂,无严重变形
c、几何尺寸的测量,使用游标卡尺和卷尺,测量宽度、厚度和长度。
d、有特殊要求时和必要时取样送专业机构进行成份分析检验。
e、检验方法为抽检,每批每品种为10%。且不少于每品种10支,每批每品种不满10支的全数检验。

注意事项:
a、市场上常有非标产品出售,非标产品与国标产品主要区别是:非标产品厚度较薄,边宽比国标产品短,两边夹角(应为90度)超差严重。
b、市场上还常有一些小厂生产的产品质量较差,混钢现象严重,这种角钢实际使用时钻孔困难, 强度低,易断裂,开裂,焊接时熔接性能不好,焊缝处容易开裂。
槽钢、工字钢、H型钢:
1、常用规格和参数:
a、热扎槽钢(GB/T706-2008)(碳素钢Q235)
|
型号 |
尺寸(mm) |
理论 重量 (kg/m) |
型号 |
尺寸(mm) |
理论 重量 (kg/m) |
||||
|
h |
b |
d |
h |
b |
d |
||||
|
6.3 |
63 |
40 |
4.8 |
6.634 |
14A |
140 |
58 |
6.0 |
14.535 |
|
8 |
80 |
43 |
5.0 |
8.045 |
14B |
140 |
60 |
8.0 |
16.733 |
|
10 |
100 |
48 |
5.3 |
10.007 |
16 |
160 |
65 |
8.5 |
19.752 |
|
12 |
120 |
53 |
5.5 |
12.318 |
20 |
200 |
75 |
9.0 |
25.777 |

b、热扎工字钢(GB/T706-2008)(碳素钢Q235)
|
型号 |
尺寸 (mm) |
理论 重量 (kg/m) |
型号 |
尺寸(mm) |
理论 重量 (kg/m) |
||||
|
h |
b |
d |
h |
b |
d |
||||
|
16 |
160 |
88 |
6.0 |
20.513 |
22A |
220 |
110 |
7.5 |
33.070 |
|
18 |
180 |
94 |
6.5 |
24.143 |
22B |
220 |
112 |
9.5 |
36.524 |
|
20A |
200 |
100 |
7.0 |
27.929 |
25A |
250 |
116 |
8.0 |
38.105 |
|
20B |
220 |
102 |
9.0 |
31.069 |
25B |
250 |
118 |
10.0 |
42.030 |

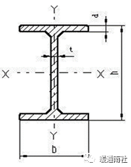
c、H型钢(GB/T11263-2017)(碳素钢Q235)
|
名称 |
尺寸 (mm) |
理论 重量 (kg/m) |
|||
|
B |
H |
t |
T |
||
|
H型钢 |
100 |
100 |
6 |
17.200 |
|
|
125 |
125 |
6.5 |
9 |
23.800 |
|
|
150 |
150 |
7 |
10 |
31.900 |
|
|
175 |
175 |
7.5 |
11 |
40.3 |
|
|
200 |
200 |
8 |
12 |
50.5 |
|
|
250 |
250 |
9 |
14 |
72.400 |
|
|
300 |
300 |
10 |
15 |
94.5 |
|
|
350 |
350 |
12 |
19 |
137.00 |
|
|
400 |
400 |
13 |
21 |
172.00 |
|
主要用途:
a、管道支吊架制作
b、设备基础制作
c、金属结构制作
检验方法:
a、每批材料应有有效的质保档,且应加盖经销商红章(质量专用章)。
b、外观目测光滑、无锈蚀,无开裂,无严重变形。
c、几何尺寸的测量,使用游标卡尺和卷尺,测量宽度、厚度和长度。
d、有特殊要求时和必要时取样送专业机构进行成份分析检验。
e、检验方法为抽检,每批每品种为10%。且不少于每品种10支,每批每品种不满10支的全数检验。

注意事项:
a、市场上常有非标产品出售,非标产品与国标产品主要区别是:非标产品厚度较薄,边宽比国标产品短,直度或平行度差。
b、市场上还常有一些小厂生产的产品质量较差,混钢现象严重,这种H型钢实际使用时钻孔困难, 强度低,易断裂,开裂,焊接时熔接性能不好,焊缝处容易开裂。

钢丝、圆钢、扁钢:
a、一般用途低碳钢丝(YB/T5294-2009)
b、热扎圆钢(GB/T702-2017)(炭素结构钢Q235)
有镀锌和非镀锌之分,表内资料为非镀锌圆钢资料。
c、热扎扁钢(GB/T702-2017)(炭素结构钢Q235)
有镀锌和非镀锌之分,表内数据为非镀锌扁钢数据。
主要用途:
a、钢丝在工程上主要用于电线管穿线时作为引线。
b、热镀锌圆钢主要用于电气系统中金属电线管之间的跨接,(常用规格有¢6,¢8),防雷接地系统中使用
c、热镀锌扁钢主要用于电气系统作为接地母排使用,还常用于制作固定管道的管箍。


通丝(碳素钢Q235 表面镀锌):
通丝的计算重量约等于相同规格的圆钢。
|
规格 |
长度(米) |
安全拉力 |
|
M6 |
2-3 |
110 |
|
M8 |
2-3 |
185 |
|
M10 |
2-3 |
275 |
|
M12 |
2-3 |
510 |
|
M16 |
2-3 |
1010 |
主要用途:各类轻型支架的制作。
注意事项:
通丝是安装工程中支吊架的主要材料,因此其质量的好坏直接影响工程质量。螺纹应深浅一致无烂牙,与螺母的配合不能过紧过松。

常见板材:

钢板:
1、常用规格和参数(碳素结构钢Q235)
钢板有热扎和冷扎两种,热扎钢板生产标准GB/T709-2006、冷扎钢板生产标准GB708-1988、GB708-2006、GB/T11253-2007。镀锌层重量为275g/㎡。
|
厚度(mm) |
理论重量(㎏/㎡) |
厚度(mm) |
理论重量(㎏/㎡) |
|
1.0 |
7.85 |
6 |
47.1 |
|
1.5 |
11.78 |
7 |
54.95 |
|
2.0 |
15.7 |
8 |
62.8 |
|
3.0 |
23.55 |
9 |
70.65 |
|
4.0 |
31.4 |
10 |
78.5 |
|
5.0 |
39.25 |
12 |
94.2 |

主要用途:
a、箱体、容器、排风风管的制作
b、金属结构、设备基础的制作
c、管道支架的制作
检验方法:
a、每批材料必须有质保书和经销商红章
b、目测表面光滑平整、无锈斑无变形
c、外形几何尺寸的检查
d、每批全数检查
注意事项:
a、市场上采购的非标钢板厚负公差严重,因此必须控制在10%以内。
b、单张板的两边应垂直。

花纹钢板:
常用规格和参数(碳素结构钢Q235)GB/T33974-2017常用的热轧花纹钢板有菱形和扁豆形两种。
|
厚度(mm) |
理论重量(㎏/㎡) |
|
|
菱形 |
扁豆 |
|
|
3.5 |
29.5 |
28.4 |
|
4 |
33.4 |
32.4 |
|
4.5 |
37.3 |
36.4 |
|
5 |
42.3 |
40.5 |

主要用途:
a、钢结构信道平台、设备操作台,主要供操作人员行走,有防滑功能。
检验方法:
a、每批材料必须有质保书和经销商红章。
b、目测表面光滑平整、无锈斑无变形。
c、外形几何尺寸的检查。
d、每批全数检查
e、花纹纹高不小于基本厚度0.2倍。
注意事项:
a、市场上采购的非标钢板厚负公差严重,因此必须控制在10%以内。
b、单张板的两边应垂直。
镀锌钢板:
1、常用规格和参数(GB5066-2011)
单张板常用规格;长*宽2000㎜*1000㎜和2500㎜*1250㎜。
卷板每件重量一般为5t左右,宽度有1000㎜和1250㎜两种。
|
厚度(mm) |
理论重量(㎏/㎡) |
厚度(mm) |
理论重量(㎏/㎡) |
|
0.5 |
4.2 |
0.8 |
6.555 |
|
0.6 |
4.985 |
1.0 |
8.125 |
|
0.75 |
6.163 |
1.2 |
9.695 |

主要用途:
a、空调通风风管的制作
b、排烟排气风管制作
c、保温层的外保护
检验方法:
a、零星购买的材料必须有质保数据、经经销商加盖红章。
b、整件购买的板,除上述数据外外包装上另有一块金属质保证必须取下保存。
c、外形几何尺寸的检查。
d、目测表面无光滑无划痕镀锌层无气皮剥落锈蚀现象。
注意事项:
a、国内质量好的是上海宝钢其次是武钢,一般材质的有攀钢、本钢、韩国浦项制铁等。
b、镀锌层进行机械加工后查看咬缝处镀锌层状况。


镀锌风管安装相关要求:

铝板:
常用规格和参数:
|
厚度(mm) |
理论重量(㎏/㎡) |
厚度(mm) |
理论重量(㎏/㎡) |
|
0.3 |
0.855 |
0.7 |
1.995 |
|
0.4 |
1.140 |
0.8 |
2.280 |
|
0.5 |
1.425 |
0.9 |
2.565 |
|
0.6 |
1.71 |
1.0 |
2.850 |

主要作用:
a、风管制作(但不常用)
b、保温材料外保护层
检验方法:
a、每批材料必须有质保数据、经经销商加盖红章
b、目测表面光滑无划痕
c、外形几何尺寸的检查
d、必要时送专业机构进行化学成份分析
注意事项:
a、出厂时表面做氧化处理,形成一层保护膜。
b、材料必须存放在干燥、通风的地方。
c、搬运时轻拿轻放。
d、施工过程中应避免人为踩踏,地面应放置橡胶板作保护。
非金属管材应用:
|
非金属风管 |
适用范围 |
不适用范围 |
|
酚醛复合风管 |
低、中压空调系统、潮湿环境 |
高压、洁净空调、酸碱性、防排烟 |
|
聚氨酯复合风管 |
低、中、高压洁净空调及潮湿环境 |
酸碱性环境和防排烟系统 |
|
玻璃纤维复合风管 |
中压以下的空调系统 |
洁净空调、酸碱性环境、湿度90%以上系统 |
|
硬聚氯乙烯风管 |
洁净室含酸碱的排风系统 |
酚醛复合风管:

|
非金属风管 |
适用范围 |
不适用范围 |
|
酚醛复合风管 |
低、中压空调系统、潮湿环境 |
高压、洁净空调、酸碱性、防排烟 |
聚氨酯复合风管:

|
非金属风管 |
适用范围 |
不适用范围 |
|
聚氨酯复合风管 |
低、中、高压洁净空调及潮湿环境 |
酸碱性环境和防排烟系统 |
硬聚氯乙烯风管:

|
非金属风管 |
适用范围 |
|
硬聚氯乙烯风管 |
洁净室含酸碱的排风系统 |
管材:
离心铸造球墨铸铁管及配件:
离心铸造球墨铸铁材质是铁素体基本的球墨铸铁,在组织中有一定数量的球状石墨,一般有三种接口形式:T型接口、S型接口、N型接口。最常用的是T型接口形式。

常用规格和参数:(GB/T13295-2013)(T型球墨铸铁管)
|
直径(㎜) |
直管部分承口重量 |
承口重量(㎏) |
总重量(㎏) |
||
|
外径(㎜) |
壁厚(㎜) |
每米重量(㎏) |
|||
|
80 |
98 |
6.1 |
12.2 |
3.4 |
76.5 |
|
100 |
118 |
6.1 |
15.1 |
4.3 |
95 |
|
150 |
170 |
6.3 |
22.8 |
7.1 |
144 |
|
200 |
222 |
6.4 |
30.6 |
10.3 |
194 |
|
250 |
274 |
6.8 |
40.2 |
14.2 |
255 |
|
300 |
326 |
7.2 |
50.8 |
18.9 |
323 |
|
350 |
378 |
7.7 |
63.2 |
23.7 |
403 |
|
400 |
429 |
8.1 |
75.5 |
29.5 |
483 |
|
450 |
480 |
8.6 |
89.3 |
38.8 |
575 |
|
500 |
532 |
9 |
104.3 |
42.8 |
669 |

主要用途:
a、室外工程中用于生产、生活及消防给水管道。
b、也可用于室外燃气管道工程的安装。

管件:
三通:分为全承丁字管、双承丁字管、法兰三通。
规格:根据管径大小。
主要用途:这三种三通以双承三通应用最广,法兰三通只有与阀门或承盘短管、插盘短管连接时才用。
承盘短管、插盘短管:用于管道与阀门的连接或其它材质管道的连接。


注意事项:
1、劣质的球墨铸铁管容易开裂和断裂,且管道有、时是椭圆形,安装后承插口容易漏水,由于其铸造质量较差,有砂眼、锁孔等,厂家一般用电焊或气焊的方法进行修补。
2、承插连接90度弯头等局部应增加固定设施。
柔性排水铸铁管及管件:
柔性排水铸铁管分为A型直管及管件、W型直管及管件。按厚度分为TA、TBA两种。
常用规格和参数:
A型为柔性界面承插式,W型为无承口管箍式。工程中常用的是A型。
|
公称直径(㎜) |
外径(㎜) |
壁厚(㎜) |
承口凸部重量(/㎏) |
直部1m重量(/㎏) |
||
|
TA级 |
TB级 |
TA级 |
TB级 |
|||
|
50 |
61 |
4.5 |
5.5 |
0.90 |
5.75 |
6.90 |
|
75 |
86 |
5 |
5.5 |
1.00 |
9.16 |
10.02 |
|
100 |
111 |
5 |
5.5 |
1.40 |
11.99 |
13.13 |
|
125 |
137 |
5.5 |
6 |
2.30 |
16.36 |
17.78 |
|
150 |
162 |
5.5 |
6 |
3.00 |
19.47 |
21.17 |
|
200 |
214 |
6 |
7 |
4.00 |
23.23 |
32.78 |


镀锌焊接钢管及管件:
镀锌焊接钢管是低压流体输送用焊接钢管的一种,其基材是低压流体输送用焊接钢管经热镀锌或电镀锌处理后制成。具有一定的耐腐蚀性。
镀锌焊接钢管常用规格参数(GB/T3091-2015)
|
公称口径(㎜) |
公称口径(in) |
外径(㎜) |
壁厚(㎜) |
理论重量(㎏/m) |
壁厚(㎜) |
理论重量(㎏/m) |
|
6 |
1/8 |
10.0 |
2 |
0.41 |
2.5 |
0.49 |
|
8 |
1/4 |
13.5 |
2.25 |
0.66 |
2.75 |
0.77 |
|
10 |
3/8 |
17.0 |
2.25 |
0.87 |
2.75 |
1.03 |
|
15 |
1/2 |
21.3 |
2.75 |
1.34 |
3.25 |
1.54 |
|
20 |
3/4 |
26.8 |
2.75 |
1.73 |
3.5 |
2.13 |
|
25 |
1 |
33.5 |
3.25 |
2.57 |
4 |
3.08 |
|
32 |
1 1/4 |
42.3 |
3.25 |
3.32 |
4 |
4.01 |
|
40 |
1 1/2 |
48 |
3.5 |
4.07 |
4.25 |
4.85 |
|
50 |
2 |
60 |
3.5 |
5.18 |
4.5 |
6.53 |
|
65 |
2 1/2 |
75.5 |
3.75 |
7.04 |
4.5 |
8.35 |
|
80 |
3 |
88.5 |
4 |
8.84 |
4.75 |
10.4 |
|
100 |
4 |
114 |
4 |
11.5 |
5 |
14.25 |
|
125 |
5 |
140 |
4.5 |
15.94 |
5.5 |
19.33 |
|
150 |
6 |
165 |
4.5 |
18.88 |
5.5 |
22.93 |
外径准许偏差:DN≤40 ±0.5㎜,DN≥50 ±1%。
壁厚准许偏差:-15%~+12%。
出厂试验水压力普通钢管2.0MPa,加厚钢管30 MPa。

主要用途:
a、工程中常用于输送水、煤气、蒸汽、压缩空气等低压介质,温度不超过200℃。
b、常用于埋入地下的电线管。

镀锌焊接钢管:
一般常用的有螺纹连接管件、镀锌焊接管件、刚性卡箍管件(沟槽式)等。


注意事项:
a、热镀锌表面应有热镀锌特有的结晶花纹,电镀锌则没有。
b、热镀锌表面总有锌瘤存在,电镀锌则没有。
c、市场上劣质的螺纹配件主要是材质疏松、壁薄、稍拧紧容易开裂、且有断丝和烂牙。
d、已制作的螺纹试旋,能顺利旋入三牙的为合格。
e、卡箍连接配件密封圈是否老化、配合是否过紧或过松、铸件是否有砂眼、裂缝,零件沟槽深度和宽度是否一致、与橡胶圈配合是否良好。
焊接钢管及管件:焊接钢管是低压流体输送用焊接钢管。

无缝钢管及管件:
无缝钢管一般分为普通无缝钢管、锅炉无缝钢管、化肥无缝钢管、石油裂化用无缝钢管。
普通无法钢管按其制造方法的不同,分为冷轧无缝钢管(其外径由5~200㎜,壁厚由0.25~14㎜),DN≥50者,一般采用热轧无缝钢管,公称直径DN<50者采用冷轧无缝钢管。

螺旋焊管及管件:
螺旋缝焊接钢管分为自动埋弧焊接和高频焊接两种。各种管按承压高低分为甲类管和乙类管。螺旋缝自动埋弧焊接管甲类管用碳素钢Q235、Q235F及低合金16MN 制成,主要用于输送石油、天然气等高压介质。乙类管采用Q235、Q235F等钢材焊接,用作输送低压流体之用。
我们常用的是低压流体输送用螺旋缝埋弧焊接钢管。

聚氨酯发泡钢管:用于热力外网,钢管可以是焊接钢管,螺旋钢管,无缝钢管。

卫生级薄壁不锈钢管:卫生级薄壁不锈钢管是以普通不锈钢管为基体经机械抛光制成。常用牌号由SUS316L和SUS304。
|
通径DN |
15 |
20 |
25 |
32 |
40 |
50 |
65 |
80 |
90 |
100 |
|
Do/size |
1/2 |
3/4 |
1 |
11/4 |
11/2 |
2 |
21/2 |
3 |
31/2 |
4 |
|
无缝管外径Do(㎜) |
16 |
20 |
25 |
32 |
38 |
51 |
||||
|
有缝管外径Do(㎜) |
12.7 |
19.05 |
25.4 |
31.8 |
38.1 |
50.8 |
63.5 |
76.1 |
88.9 |
101.6 |
|
壁厚T(㎜) |
1.5 |
1.2 |
1.2 |
1.2 |
1.5 |
1.5 |
1.5 |
2 |
2 |
2 |
|
参考重量(㎏/m) |
0.54 |
0.55 |
0.72 |
0.92 |
1.37 |
1.84 |
2.32 |
3.7 |
4.33 |
4.96 |

紫铜管:
常用规格及参数:
a、常用于氟利昂输送的铜管
|
外径(㎜) |
壁厚(㎜) |
理论重量(㎏/m) |
外径(㎜) |
壁厚(㎜) |
理论重量(㎏/m) |
|
6.4 |
0.75 |
0.12 |
31.8 |
1.5 |
1.27 |
|
9.5 |
1 |
0.24 |
34.9 |
1.5 |
1.4 |
|
12.7 |
1 |
0.33 |
38.1 |
2 |
2.02 |
|
15.9 |
1 |
0.42 |
41.28 |
2 |
2.2 |
|
19.1 |
1.5 |
0.4 |
44.4 |
2 |
2.37 |
|
22.2 |
1.5 |
0.8 |
50.8 |
2 |
2.73 |
|
25.4 |
1.5 |
1 |
54 |
2.5 |
3.6 |
|
28.6 |
1.5 |
1.14 |
b、常用冷水、热水等输送的铜管
|
公称通径DN |
外径(㎜) |
壁厚(㎜) |
公称通径DN |
外径(㎜) |
壁厚(㎜) |
|
15 |
15 |
0.7-0.1 |
65 |
67 |
1.5-2.5 |
|
20 |
22 |
0.8-1.5 |
80 |
86 |
1.8-2.5 |
|
25 |
28 |
0.9-1.5 |
100 |
108 |
2-2.5 |
|
32 |
35 |
1.2-1.5 |
125 |
133 |
2-3 |
|
40 |
42 |
1.2-2.0 |
150 |
159 |
2.5-3.5 |
|
50 |
54 |
1.5-2.0 |
200 |
219 |
3-4.5 |

PPR给水管:
PPR管(无规共聚聚丙烯),一般用于建筑物的冷、热水管,口径一般比较小(直径160㎜以下)。由冷水型和热水型两种。连接方式为热熔承插连接。
(一)PPR管
1、常用PPR管规格和参数:
|
公称压力 PN(Mpa) |
型号规格 |
公称压力 PN(Mpa) |
型号规格 |
公称压力 PN(Mpa) |
型号规格 |
|
1.25 |
25*2.3 |
1.6 |
20*2.3 |
2.0 |
20*2.8 |
|
32*2.9 |
25*2.8 |
25*3.5 |
|||
|
40*3.7 |
32*3.6 |
32*4.4 |
|||
|
50*4.6 |
40*4.5 |
40*5.5 |
|||
|
63*5.8 |
50*5.6 |
50*6.9 |
|||
|
75*6.8 |
63*7.1 |
63*8.6 |
|||
|
90*8.2 |
75*8.4 |
75*10.1 |
|||
|
110*10 |
90*1.01 |
90*12.3 |
|||
|
110*12.3 |
110*15.1 |

U-PVC管及管件:
U-PVC管(硬聚氯乙烯管)有给水管、排水管、化工管、电工管等种类。排水管又有雨水管、双壁波纹管、普通排水管等。

氯化聚氯乙烯管C-PVC:
PVC-C高温机械强度高,适于受压场合。使用温度高达90摄氏度左右,寿命可达50年.安全简便,连接方法为熔剂粘接,螺纹连接,法兰连接和焊条连接。阻燃、防火、导热性低,管道热损少,安装费用低,但要注意使用的胶水有毒性。
广泛用于城市电网建设和改造;城市市政改造工程;民航机场工程建设;工程园区、小区工程建设。

MPP电力电缆保护管:
MPP管又称MPP电力电缆保护管,分为开挖型和非开挖型,MPP非开挖管又称作MPP顶管或托拉管。MPP管采用改性聚丙烯为主要原材料。具有抗高温、耐外压的特点,适用于10KV以下高压输电线电缆排管管材。
可广泛应用于市政、电信、电力、煤气、自来水、热力等管线工程。
城乡非开挖水平定向钻进电力排管工程,及明开挖电力排管工程。
城乡非开挖水平定向钻进下水排污排管工程。工业废水排放工程。

HDPE给水管及管件:
主要应用于室外给水及燃气管道:

产品规格:
DN110mm,DN125,DN150,DN220,DN225mm,DN250,DN300mm,DN400mm,DN500mm,DN600mm,DN700mm,DN800,DN1000,DN1200等多种规格产品。

钢带增强聚乙烯管:

克拉管:

主要应用:小区、市政雨污水管道。
注意事项:影响施工质量除管材自身强度外,关键原因是管道回填。

钢丝网骨架聚乙烯复合管:

衬塑钢管及管件:
以优质热侵镀锌钢管和食品级塑管为基体,采用高温高压工艺将塑管敷设在钢管内而成,管件以镀锌钢管件为基体,在管件内注入食品级塑料而制成。符合饮用水标准,主要用于饮用水的输送。连接方法DN≤100采用螺纹连接,DN>100采用法兰或沟槽连接。
管件:
衬塑管件与普通镀锌管件用途、外形等相同,唯一不同的是衬塑管件内部衬塑处理。
检验方法:
a、目测外观管材内外表面光滑平整、内表面衬塑层完整、无剥离脱落等,外表面无锈斑等缺陷。
注意事项:
a、劣质的衬塑钢管使用的镀锌管管壁较薄,衬塑层与钢管结合不牢固。
b、该类管道不允许用高速砂轮机切割,套丝机挤压切割和氧气乙炔切割。

涂塑钢管及管件:
以优质热浸镀锌钢管为基体,采用真空吸涂工艺将高分子材料粉末吸涂在钢管内壁而成。管件与衬塑管件相同。主要用于饮用水的输送,连接方法为:DN≦100采用螺纹连接,DN﹥100采用连接法兰或沟槽。


