管道井管道及配件安装


1、适用条件及范围
本做法适用于工业与民用建筑工程中管道井管道及配件安装。
2、施工工艺流程

3、施工要点
3.1 结合管井检修门和管井内水管管道的综合排布图,尤其是管道较多部位的布置图,避免各专业管道冲突和无法检修等问题。确定先大后小, 先无压后有压的原则,同时 兼顾各管道安装时的必要安装操作空间和日后管道的检修空间。
3.2 认真熟悉图纸、技术要求、施工工序及质量要求; 结合管井综合布置图,确定管 道间距、定位;
3.3 根据深化设计图纸及管井排布图,从管井顶端至终端找好垂直线,用墨线弹出膨 胀螺栓打孔位置及支架安装线。
3.4 管道支架优先采用共用支架形式,同规格管道支架形式、标高统一。
3.5 水管道的支吊架采用槽钢制作焊接而成,支架间距应符合规范要求。支架所用钢 材无扭曲,切口处无卷边、毛刺,支架安装牢固,做到横平竖直。
3.6 管道安装沿墙整齐排列,管道排列间距均匀,各管道管件安装整齐划一。
4、做法详图
4.1 管井支吊架做法

图1.2.1-1 水平龙门支架(立管支架)
水平龙门支架(立管支架)材料适用表

4.2 管井管道排布大样图

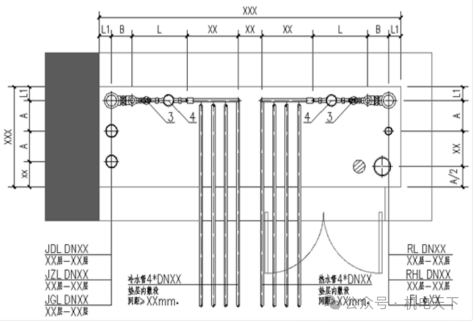
图1.2.1-2 管井管道排布大样图
5 、示例工程图片

图1.2.1-3 管道井共用支架

图1.2.1-4 管道井管道及配件排布
水表井管道及配件安装


1、适用条件及范围
本做法适用于工业与民用建筑工程中空调水管井管道及配件安装。
2、施工工艺流程

3、施工要点
3.1 深化设计
1)施工深化设计图纸应包括平面图及立面图,深化内容包括管道定位、水表组布局、 支架形式等。
2)立管宜设置在墙角处;水表组宜靠墙布置。
3)水表组布置方式应根据水表数量、水表井空间选择下行上给或上行下给的布置方式。
4)支管(即:水表下游管段)宜平行等距布置,避免交叉;如支管需跨越立管处,支管应贴墙安装。
5)管道支架间距应按管道材质及规格选取,表前、表后及弯头等部位应加强。
3.2 管道及配件安装
1)预制、组装三通组件,组装后尺寸偏差应小于±10mm。
2)水表安装前,应冲洗给水总管去除麻丝、砂石等杂物,如装有过滤器也应加以清 洗,以避免造成水表故障。
3)水表井阀门及配件水平安装高度一致,成行成线。
4)水表井阀门及水表竖直排列整齐,朝向一致,水表应易于接近以便读数、安装、 维护、拆卸。
4、做法详图
4.1 水表井排布平面图示例

图1.2.2-1 水表井排布平面图(示例)
4.2 水表井排布立面图示例

图1.2.2-2 水表井排布立面图(示例)
5、示例工程图片

图1.2.2-3 阀门水平排布样板

图1.2.2-4 阀门及管道排布样板
空调水管井管道及配件安装


1、适用条件及范围
本做法适用于工业与民用建筑工程空调水管井管道安装。
2、施工工艺流程

3、施工要点
3.1 施工准备:认真熟悉图纸、技术要求、施工工序及质量要求; 结合管井综合布置 图,确定管道间距、定位;
3.2 管道防腐:材料进入现场经监理验收合格后,将管道内外壁铁锈及污物清除干净, 外刷两遍防锈漆。
3.3 套管预制:根据图纸管道尺寸预制套管,套管尺寸应确保管道保温厚能穿过且高 出建筑完成地面 2-3cm,套管底部与楼板底保持水平。套管加工完成后内刷防锈漆。
3.4 管井吊线、弹线定位:根据深化设计图纸及管井排布图,从管井顶端至终端找好 垂直线,用墨线弹出膨胀螺栓打孔位置及支架安装线。
3.5 支架的安装:水管道的支吊架采用槽钢制作焊接而成,支架间距不大于 6 米(根 据层高均匀设置)。
3.6 管道安装:管道采用双翼片落在承重支架上,翼片与支架之间垫 10mm 厚的橡胶 垫片防止冷桥产生;翼片与管道采用双面满焊连接;根据规范要求及现场情况设置导向支 架和滑动支架,支架与管道之间采用防腐垫木进行绝热。
3.7 管道保温:道保温采用橡塑保温棉保温,保温厚度应符合规范要求。阀门、法兰 部位应单独进行保温;保温与管道连接密实,无裂缝、空隙等缺陷。表面平整, 且封闭良好。
4、做法详图
4.1 竖井内空调水管固定支架

图1.2.3-1 竖井内空调水管固定支架
4.2 竖井内空调水管固定支架大样图


图1.2.3-2 竖井内空调水管固定支架
5、示例工程图片
5.1 管道及支架安装样板

图1.2.3-3 管道及支架安装样板1

图1.2.3-4 管道及支架安装样板2
管道井根部处理做法


1、适用条件及范围
本做法适用于工业与民用建筑工程中管道井管道穿楼板根部处理。
2、施工工艺流程

3、施工要点
3.1 套管比立管大 1~2 个管号, 有保温的管道套管的设置应保证保温连续穿过套管。 不涉水房间套管高出装饰面层 20~30mm,多水房间时应为 50mm。
3.2 套管规格应考虑管道保温或保冷层厚度,使保温或保冷层在套管内不间断。
3.3 套管安装前内外刷防锈漆,调直固定好立管,用木楔把套管临时固定于洞口,用 捻凿把油麻填塞于套管间隙的 2/3 处(多水房间时,钢套管应焊防水翼板。)调整套管与 管道的同心度,套管与板底平齐,封堵严密。
3.4 补洞砼浇筑完成后其余间隙填塞石棉绳,套管顶部打密封胶密封,密封胶要求与 套管上部平齐,胶缝要求均匀,套管底部安装饰圈,板面上外露套管刷黑色或灰色油漆。
4、做法详图
4.1 管井管道根部处理做法

图1.2.4-1 管道根部做法示意图
5、示例工程图片

图1.2.4-2 管道根部处理样板

图1.2.4-5 管道根部处理样板

