空调冷(热)水管支架需结合水管数量、型号、介质,对支架横担、吊杆、螺栓进行选用,相关计算原则及支架选用详见《室内管道支架及吊件》25S402 相关要求,推荐使用品茗 HiBIM 软件进行支架验算。
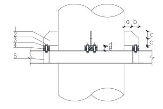
1 固定支架与承重支架及补偿器安装位置示意
图 1 固定支架与承重支架及补偿器安装位置示意

图例:
-
冷冻水立管承重(固定)支架 -
冷冻水支管伸缩节 -
冷冻水立管伸缩节 -
冷冻水立管导向支架 -
冷冻水水平管固定支架
2 空调冷(热)水立管固定(承重)支架示意
图 2 立管固定(承重)支架示意

1-肋板 2-镀锌紧固螺栓 3-支承板 4-隔热木托 5-型钢支架框架
为方便套管安装及管道保温施工,型钢支架框架底部与楼板完成面的距离建议不小于 150mm,尺寸表如下(mm):
表 1 常见管径立管固定(承重)支架尺寸表
|
|
|
|
|
|
|
|
|
|
|
|---|---|---|---|---|---|---|---|---|---|
|
|
|
|
|
|
|
|
|
|
|
|
|
|
|
|
|
|
|
|
|
|
|
|
|
|
|
|
|
|
|
|
|
|
|
|
|
|
|
|
|
|
|
|
|
|
|
|
|
|
|
|
|
|
|
|
|
|
|
|
|
|
|
|
|
|
采用本支架时,需相关结构专业考虑管道运行时的荷载对结构安全的影响。
立管高度在 50m 以下时不需要考虑因立管伸缩导致的支管补偿,超过 50m 按现场实际对支管进行补偿,支管补偿最好采用自然补偿,当自然补偿无法满足要求时采用补偿器补偿。
③ 只设置一个固定支架时,立管最下方第一个水平支架需要做加固处理或将其支架所用型钢型号放大(具体大小需经过受力分析以后确定)。
④ 支架肋板及支撑板的选用参见 HG/T21629-2021 管架标准图或室内管道支架及吊架 25S402。
可进入机电人脉知识星球下载。
3 冷冻水垂直管道导向支架示意
表 6.3-1 常见管径立管导向支架示意

-
镀锌扁钢抱箍 -
保温木托(厚度与所用型钢宽度一致) -
镀锌螺丝 -
型钢支架 -
膨胀螺丝

|
|
|
|
|
|
|
|
|
|
|
|
|---|---|---|---|---|---|---|---|---|---|---|
|
|
|
|
|
|
|
|
|
|
|
|
|
|
|
|
|
|
|
|
|
|
|
|
|
|
|
|
|
|
|
|
|
|
|
|
|
|
|
|
|
|
|
|
|
|
|
|
|
|
|
|
|
|
|
|
|
|
|
|
|
|
|
|
|
|
|
|
|
|
|
|
① 镀锌扁钢抱箍不宜拧紧,以防管道伸缩时对木托造成损坏;
② 支架掌板安装点应首选结构梁或剪力墙,如管井壁为空心砖墙时,可将支架安装于楼板底,在其上焊接 2mm 厚钢板并将套管预先焊接在钢板上,钢板的宽度应能遮住预留洞为宜(钢板紧贴楼板底)见给排水穿楼板支架;
③ 如管井壁为剪力墙,支架的安装高度,距地面应为 1.5~1.8M,2 个以上的支架应均匀称安装。
6.4 冷却水垂直管道支架
冷却水垂直管道直接与冷冻水相似,不同之处在于冷却水属于常温水,管井内可以不做保温或隔热处理,不需设置木托防冷桥或隔热。
6.5 水平管道支架
水平管道支架设置详见《室内管道支架及吊件》25S402 相关内容。
6.6 支架复核验算
对大型管道的承重支架、固定支架及联合支架必须进行稳定性验算,支吊架的验算推荐使用品茗 HiBIM 软件,具体操作见《品茗 HiBIM 软件支吊架操作手册》。



