机电天下 安装 接地基本概念及接地电阻测量方法

接地基本概念及接地电阻测量方法

一、接地的基本概念

1、接地的分类与作用
接地是保证人身安全以及电气设备和过电压保护装置正常工作非常重要的一种装置,按基础功能可分为四类:
(1)工作接地:在电力系统中,利用大地作为导线或其它运行需要的接地(如中性点接地)称为工作接地;
(2)保护接地:电气设备的金属外壳,由于绝缘损坏有可能带电,为防止此种电压危及人身安全,将设备金属外壳接地称保护接地或安全接地;
(3)过电压保护装置:避雷针(线)、避雷器或设备的金属结构为了导泄雷电流将其接地,称防雷或过电压保护接地;
(4)防静电接地:为释放静电电荷,而设置的接地:例如易燃油(库)、天然气罐。
2、接地体的接地电阻:接地体的接地电阻是指从接地体到大地无穷远处之间所包含的电阻。
3、跨步电压:当电流由接地体流入大地时,大地表面形成分布电位,人的跨步约为0.8米,所以在径向水平距离为0.8米两点之间的电位差,称为跨步电压。
4、接触电压:距离设备0.8米,沿设备垂直距离为1.8米间的电位差称接触电压。
二、接地电阻的测量
一般在小型接地装置接地电阻的测量中,通常采用ZC-8型接地摇表。
在大面积接地网接地电阻的测试中,通常采用三极法的电流、电压法。近年来,又有人提出了四极法、瓦特法、功率因数法和变频法。下面介绍两种:
(一)电流电压法(三极直线法)
所有测量电阻的仪器或方法都是基于电流电压法的原理,即通过被测物以一定的电流,同时测量其上的电压,电压与电流之比就是被测物的电阻。
2、极距的确定
所谓接地电阻系指电流从接地体流向无穷远所遇到的电阻。但实际上电流回线不可能无穷远,所以如何能够准确地测得接地电阻值,就成为重要的问题。测量不准确,就会得出错误的结论。
通过分析,当电流极不能置于无穷远处,则电位极必须放在电流极与被测接地极两者距离之间的0.618处。
实际情况与这些分析出入很大,其差别程度随极距的缩小而增大。因为地网没有一个是半球形。但是可以证明,不论接地体形状如何,其等位面距中心越远,接地体形状越接近于半球形,所以极距越远,接地体为半球形的假设越真实。(一般d13≥4r0即可)实际的接地网形状是不一样的,这给确定接地体中心带来困难,在电流极距不太大而又不能确定接地体中心的情况下,是不可能得出正确测量结果,这一问题可用电位分布曲线拐点法解决。
测出电位分布曲线,将电位极沿电流极与接地体之联线上,逐点移动,测出此联线上的电压分布曲线。如上图所示,由曲线可找出拐点0,与拐点0相对应的电位极的位置,即是电流极与接地体中心联体的中点,由此可找到0.618的点,即可决定接地体接地电阻的真实值。
在交流测量时,为了避免电流线与电压线的干扰,两者不能放在一条上,而要有一定的夹角。
(二)夹角法:
有的国家要求夹角不小于60℃,否则干扰比较严重。在这种情况下,如仍按0.618的要求选择电流极位置是比较困难的。甚至不可能,(当α=180°时,d12=∞,也只相当于0.5)所以此时不必按0.618选择电流极位置,此时一般取d12=d13≥2D D:接地网直径,夹角α≈30°或d23=1/2 d12)。
测量大型接地网的接地电阻时,宜用电压电流法,电极采用三角形布置。与直线法比较有下列优点:
(1)可以减少引线间互感的影响;
(2)在不均匀土壤中,当取d13=2D时,用三角法的测量结果相当于3D直线法的测量结果;
(3)三角形法:电压极附近的变化较缓,从29℃到60℃电位变化相当于直线法从0.618d13到0.5d13的电位变化。
因此由于电极三角形布置位置偏移,电压极与电流极到接地体之间的夹角不准及土壤电阻率不均匀,导致电位分布不规则而引起的误差,一般要比直线法小。
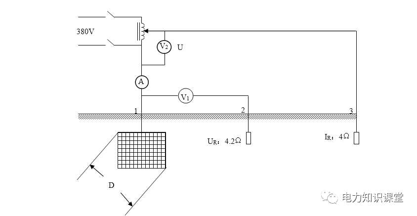
(三)变电站接地网接地电阻实测结果分析:
由于用ZC-8型接地摇表测量接地电阻不能满足该站的接地电阻设计值要求,故电流电压直线法测量。
(6)测量时,利用10KV架空线,架空线引下电流、电压线:线路端用25mm2接地铜线;变电站侧通过10KV电缆,电流极再用6mm2多股铜线引入调压器,电压极用2.5mm2铜线接入电压表。
(7)测量位置:主变压器接地点。
3、工器具
(1)高内阻电压表:0V~5V~25V~50V一块;一般电压表:0~300V0.5级;
(2)电流表:0~2.5A~25A  0.5级  一块;
(3)三相调压器10KVA一台、刀闸30A一块、八磅锤2把、板手、起手等。
4、工作人员:登杆、电流极、电压极、站内测试人员若干并保持通讯联系。
5、实测参数:
实测干扰电压:0.49V
I(A)
U(V2)
V1(V)
V1反向(V)
Rz(Ω)
Rf(Ω)
-R(Ω)
10
54.4
3.49
2.68
0.349
0.268
12.5
67.9
4.24
3.14
0.339
0.273
15
82.1
5.01
4.18
0.334
0.278
20
109
6.48
5.67
0.324
0.2835
0.303
6、用ZC-8型接地摇表复测对照,因空中干扰电压原因,表计无法测量,不稳定。

7、分析法入电流越大,测量值越准确,正向、反向电电阻增减很小。

本文来自网络,不代表机电天下立场,转载请注明出处:https://mepbbs.com/archives/12529
上一篇
下一篇

发表回复

您的电子邮箱地址不会被公开。 必填项已用 * 标注

联系我们

联系我们

15515572238

在线咨询: QQ交谈

邮箱: 328758160@qq.com

工作时间:周一至周五,9:00-17:30,节假日休息

关注微信
微信扫一扫关注我们

微信扫一扫关注我们

返回顶部
首页
机电课程
永久会员
资料精选
搜索