机电天下 安装 型钢支吊架单管、多管选型表,详细技术交底

型钢支吊架单管、多管选型表,详细技术交底

01

技术要求

 

1、所有进场的型钢、钢板下料前,进行人工或机械除锈,外刷醇酸红丹防锈漆二道,银粉漆二道。下料前,先将型钢调直。型钢下料一律采用砂轮切割机切割(严禁采用氧气乙炔切割),钢板可采用氧气乙炔切割,钢板切割需平直。切割断面的延边和毛刺,用砂轮磨光机磨光,打磨后两侧须刷防锈漆保证切口端面美观。 

2、支架钻孔应使用台钻,严禁使用火焰割孔,支吊架要做到无毛刺、豁口、漏焊等缺陷,在安装后防锈漆或面漆破坏部分须及时补刷。 

3、支吊架放线定位采用红外线,支吊架安装要牢固可靠,生根点采用膨胀螺栓的,所钻孔的直径与膨胀螺栓的外径应匹配,严禁在空心砖墙上使用膨胀螺栓,确保生根点的承重能力。 

4、立管的承重支架安装要牢固可靠,所采用的形式及组合焊接的质量必须达到要求,支架与管道的锚接必须可靠牢固。 

5、角钢支架生根采用角钢(对于管线密集且角钢制作的综合支吊架采用钢板生根),槽钢支架生根采用钢板。生根角钢(L30*3、L40*4角钢生根长度为15cm,L50*5及以上角钢生根长度为20mm)、钢板采用膨胀螺栓固定于板、梁、墙上,和型钢连接处采用焊接。支吊架焊接完成后,清除焊渣,补刷一道防锈漆和银粉漆。 

6、角钢倒角长度为倒角处角钢边长的一半,切角为45度。倒角采用砂轮切割机,严禁采用氧气乙炔切割。 

7、铸铁管、不锈钢管安装时,U型卡安装需套塑料套管,且铸铁管与固定支架或抱卡接触面需垫黑色橡胶垫,防止电化学腐蚀。 

8层高大于等于8m的立管需安装三个固定支架,安装高度依次距建筑完成面为1.5m、4m、6.5m;层高大于5m小于8m的立管需安装二个固定支架,安装高度依次距建筑完成面为1.5m、4.5m;层高小于5米的立管需安装一个固定支架,安装高度距建筑完成面为2.1m,同一面墙或同一个房间内管卡应该安装在同一高度,生根统一采用高度一致的钢板(宽度根据型钢大小确定,[5、[8槽钢选用钢板为200*200mm,[10、[12槽钢选用钢板为240*240mm, [14[16、[18槽钢选用钢板为240*240mm,)且底部处于同一标高。 

9、T型支架,角钢生根处板面应平直,支架角钢安装垂直于板面,宜采用红外线调直,严禁通过肉眼观察调直。 

10、支吊架采用的膨胀螺栓、螺栓、U型卡、木托抱卡需设置螺帽、垫片。所有通丝吊杆伸出螺母长度统一要求为5丝。所有采用通丝作为吊杆的支架,通丝安装前必须穿入与支架通丝等长的PVC穿线管内。PVC线管规格以通丝穿入为宜,不宜过大,φ12#通丝及以下规格穿φ16PVC线管,φ12#通丝以上穿φ20PVC线管. 

11、支吊架严禁在钢梁上焊接。 

12、同一条线上的管线支架安装时须确保所安装的所有支架在同一直条线上。 

13、相同部位处各专业相邻位置的支架在规范允许的条件下尽量设置在同一条线上,以达到所安装支架成排成线的美观要求。 

14、水平管线用角钢、槽钢支吊架安装朝向按照角钢、槽钢支吊架安装朝向按如下示意图执行,竖向管线支吊架安装时正面朝下或朝内。 

角钢、槽钢支吊架安装朝向示意图(箭头方向即为型钢朝口方向)

 

15、所有支吊架横担及立柱严禁型钢拼接。 

16、支吊架所使用的所有螺母、垫片都必须先用机油浸泡后方可使用,以防生锈。 

17、所选用的同规格的螺母长度必须统一。 

18、对于采用槽钢制作横担的支吊架,当横担宽度大于一定长度时,横担槽钢中间必须进行加强,加强措施见下图并选用与横担同型号的槽钢。
19、支吊架的型式严格按照技术交底要求进行预制、安装。所有形式的支吊架必须先制作一个样品,报项目部验收合格后,方可大量制作。在施工过程中,如存在异议,施工队长应及时与项目部相关人员沟通、确认,不得私做决定,随意安装。

02

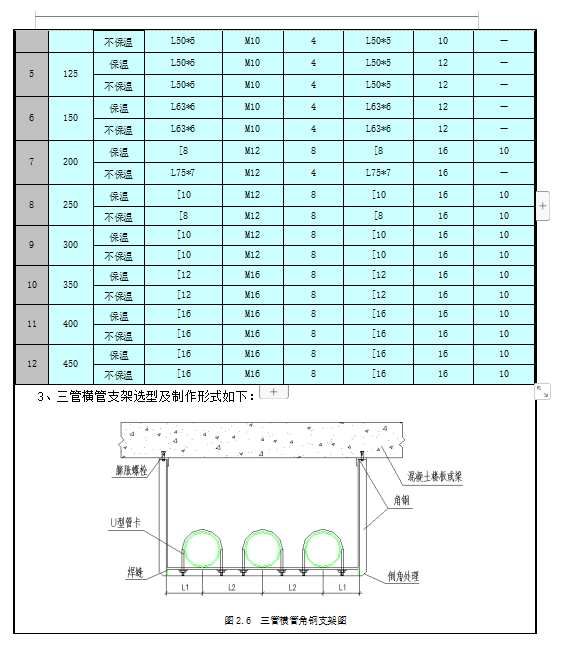
水平横管支吊架安装

 

 

 

 

 

 

本文来自网络,不代表机电天下立场,转载请注明出处:https://mepbbs.com/archives/12379
上一篇
下一篇

发表回复

您的电子邮箱地址不会被公开。 必填项已用 * 标注

联系我们

联系我们

15515572238

在线咨询: QQ交谈

邮箱: 328758160@qq.com

工作时间:周一至周五,9:00-17:30,节假日休息

关注微信
微信扫一扫关注我们

微信扫一扫关注我们

返回顶部
首页
机电课程
永久会员
资料精选
搜索