来源:龙麒电科




双电源供电一般特指两回路电源来自不同的变电站(或配电所),避免出现两回路电源同时失压的情况,可以满足一二级负荷的供电。
双回路供电一般是指末端负荷的电源有两回路,其中一条回路故障后,另一备用回路投入运行,为设备持续供电。

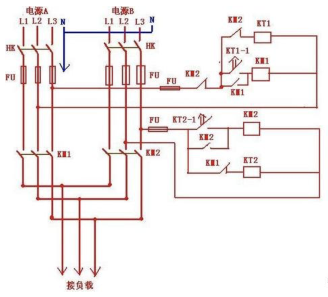
由微处理器控制
用于电网系统中网电与网电
也可用于网电与发电机电源启动切换
可使电源连续源供电
两路进线接自不同的区域变电站
电源来源不同,相互独立
一个电源断电后第二个不会同时断电
可以满足一二级负荷的供电

回路是区域变电站出来的回路
一个负荷有两个供电电源
进线接自同一区域变电站的不同母线
电源来源可能相同可能不同
一条线路故障后备用回路投入运行


双电源主要应用于要求更高的一级负荷,一般情况下,具备下列条件之一者,可批准双电源供电:
重要的党、政、军机关,国防、科研重点工程项目,由于电源中断,将会造成严重后果的。
重要的新闻、广播中心、交通通讯枢纽,公共事业、医疗卫生单位,由于电源中断,将会造成严重后果的。

变电所
应为电业的变电所,而不是项目内部的变电所(项目整体作为负荷来考虑)
必须是引自不同的母线段,若变电所有两台变压器,但两台变压器均由一段母线配出,采用的是单母线或者单母线分段的接线方式,是不能作为双电源来处理的。
电源应引自电业变电所的由其中不同母线段分别配出一路电源而组成的供电电源
只能确保二级及以下负荷的供电需要
由一台变压器配出的两个回路或者环网、由同一母线段的两台变压器配出的两路电源都可以作为双回路考虑

