机电天下 电气 来聊聊,箱变接地电阻通常要求≤4Ω,你知道是为啥吗?

来聊聊,箱变接地电阻通常要求≤4Ω,你知道是为啥吗?

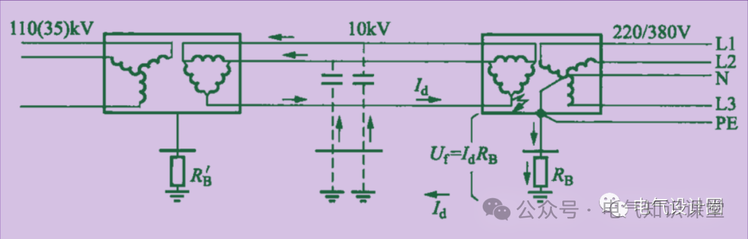
箱式变电站作为重要的配电设备,其安全运行离不开可靠的接地措施。很多人会问:为什么箱式变电站的接地电阻通常被要求不大于4Ω?这个数值背后其实有着严谨的技术依据和应用场景限制。实际上,并不是所有情况下都必须满足≤4Ω的要求,它主要适用于高压系统采用[不接地]、[谐振接地]或[高电阻接地]方式的情形。这是因为在这些接地方式下,高压侧发生单相接地故障时,故障电流较小(一般不超过10A),此时若接地电阻控制在4Ω以内,便可将故障电压限制在相对安全的范围内(如40V),从而有效避免低压侧PE线电位升高带来的电击风险。接下来我们将深入探讨这一技术要求背后的原理与逻辑。

为什么箱式变电站的接地电阻通常要求不大于4Ω?

实际上,“接地电阻应≤4Ω”的要求是有适用条件的,并非适用于所有情况。这一标准主要适用于高压系统采用**不接地**、**谐振接地**或**高电阻接地**方式的情形,而不适用于高压系统采用**有效接地**的情况。

在上述三种接地方式(不接地、谐振接地、高电阻接地)中,高压系统的单相接地故障电流相对较小,通常不超过10A。当这样的故障电流流经箱式变电站的接地电阻Rb时,会在其上产生一个电压降。若Rb为4Ω,则该电压降为:

**U = I × R = 10A × 4Ω = 40V**

由于高压系统的保护接地与低压配电系统的系统接地常常共用同一接地极,因此低压侧的PE线对地电位也会升高至40V。这个电压低于人体电击的安全限值(通常认为接触电压限值为50V),从而大大降低了在高压侧发生接地故障时,低压侧出现人身电击事故的风险。

根据相关规范(如《交流电气装置的接地设计规范》GB/T 50065-2014)第6.1.1条的规定:

> 对于工作在不接地、谐振接地和高电阻接地系统中,且向1kV及以下低压电气装置供电的高压配电装置,其保护接地的接地电阻应满足以下要求,且不应大于4Ω:

> **R ≤ 50 / I**

> 其中:

> – R:考虑季节变化后的最大接地电阻(Ω);

> – I:计算用的单相接地故障电流,在谐振接地系统中则取故障点的残余电流。

综上所述,将箱式变电站的接地电阻限制在4Ω以内,是为了确保在高压侧发生接地故障时,能够有效控制接触电压在安全范围内,保障人员安全。这一要求是基于特定接地系统和故障电流水平下的安全设计结果。

本文来自网络,不代表机电天下立场,转载请注明出处:https://mepbbs.com/archives/18807
上一篇
下一篇

发表回复

您的电子邮箱地址不会被公开。 必填项已用 * 标注

联系我们

联系我们

15515572238

在线咨询: QQ交谈

邮箱: 328758160@qq.com

工作时间:周一至周五,9:00-17:30,节假日休息

关注微信
微信扫一扫关注我们

微信扫一扫关注我们

返回顶部
首页
机电课程
永久会员
资料精选
搜索