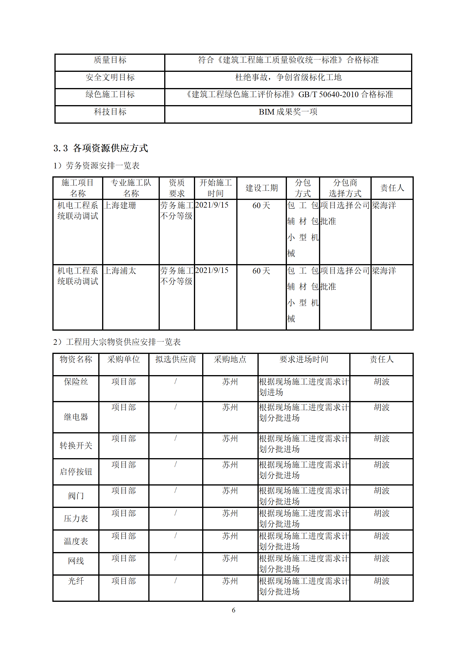
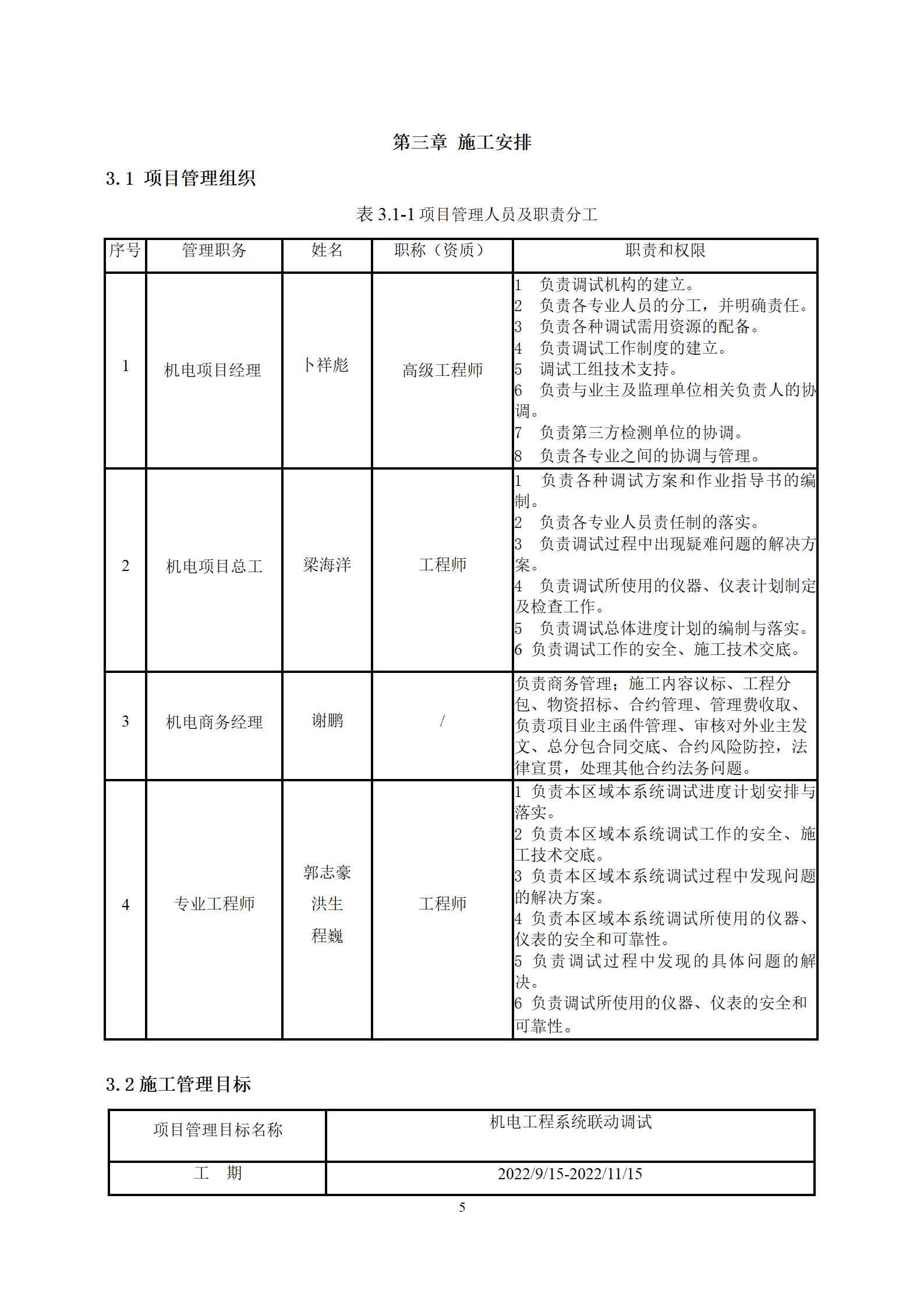
机电工程系统联动调试方案 发布: 2024 年 11 月 4 日 3,315阅读 识别二维码,关注机电天下公众号,公众号对话框回复关键词:调试,得到本文原版资料下载链接。 本资料为71页word版,篇幅所限仅展示前10页。 本文来自网络,不代表机电天下立场,转载请注明出处:https://mepbbs.com/archives/1159 标签:机电工程系统 调试方案